электросхемы для крана Альбатрос 74-77 гг выпуска

Чертежи, электросхемы, общение...
Ответить
Lord.76
Сообщения: 6
Зарегистрирован: 20 ноя 2016, 17:04

электросхемы для крана Альбатрос 74-77 гг выпуска

Сообщение Lord.76 »

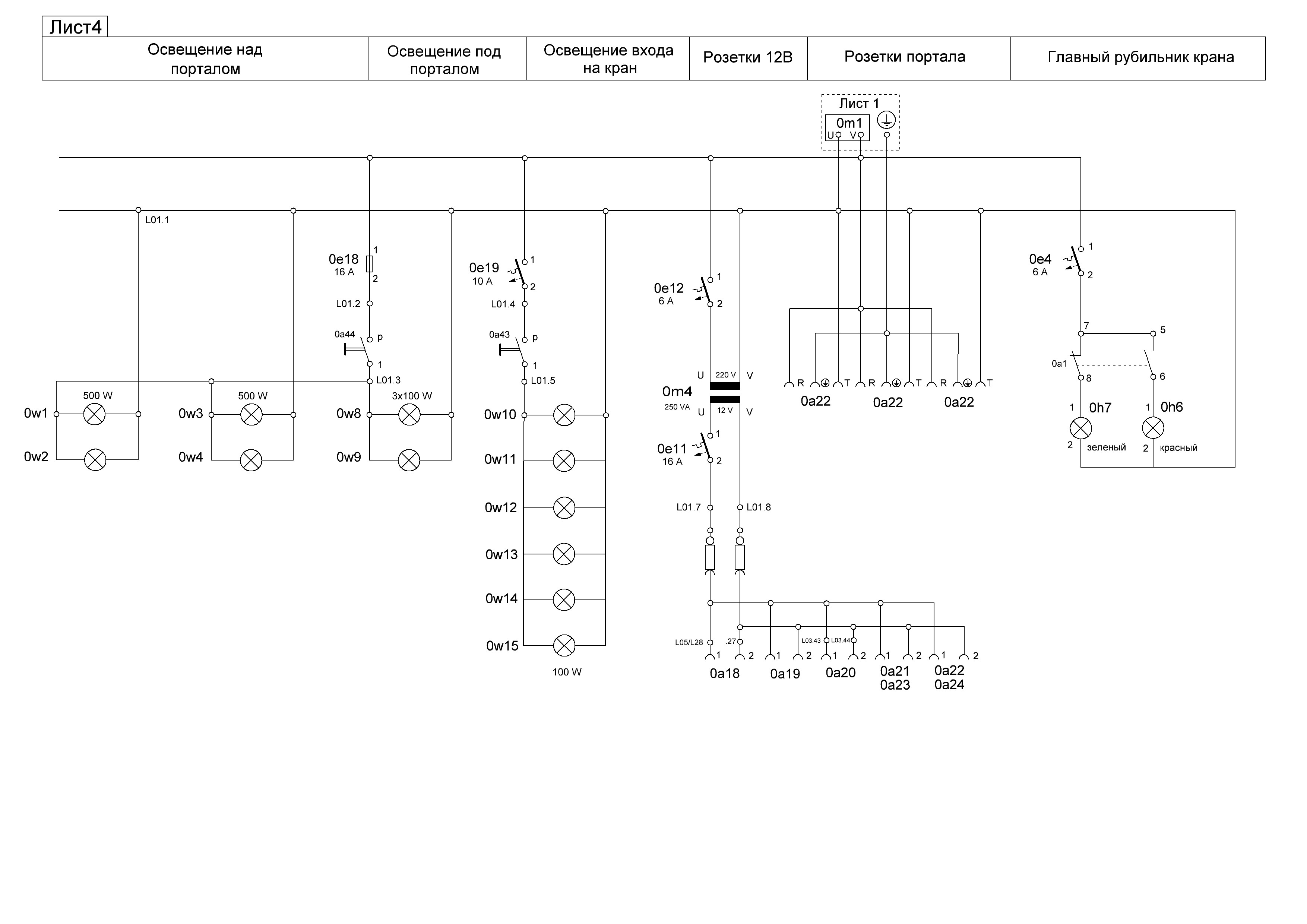
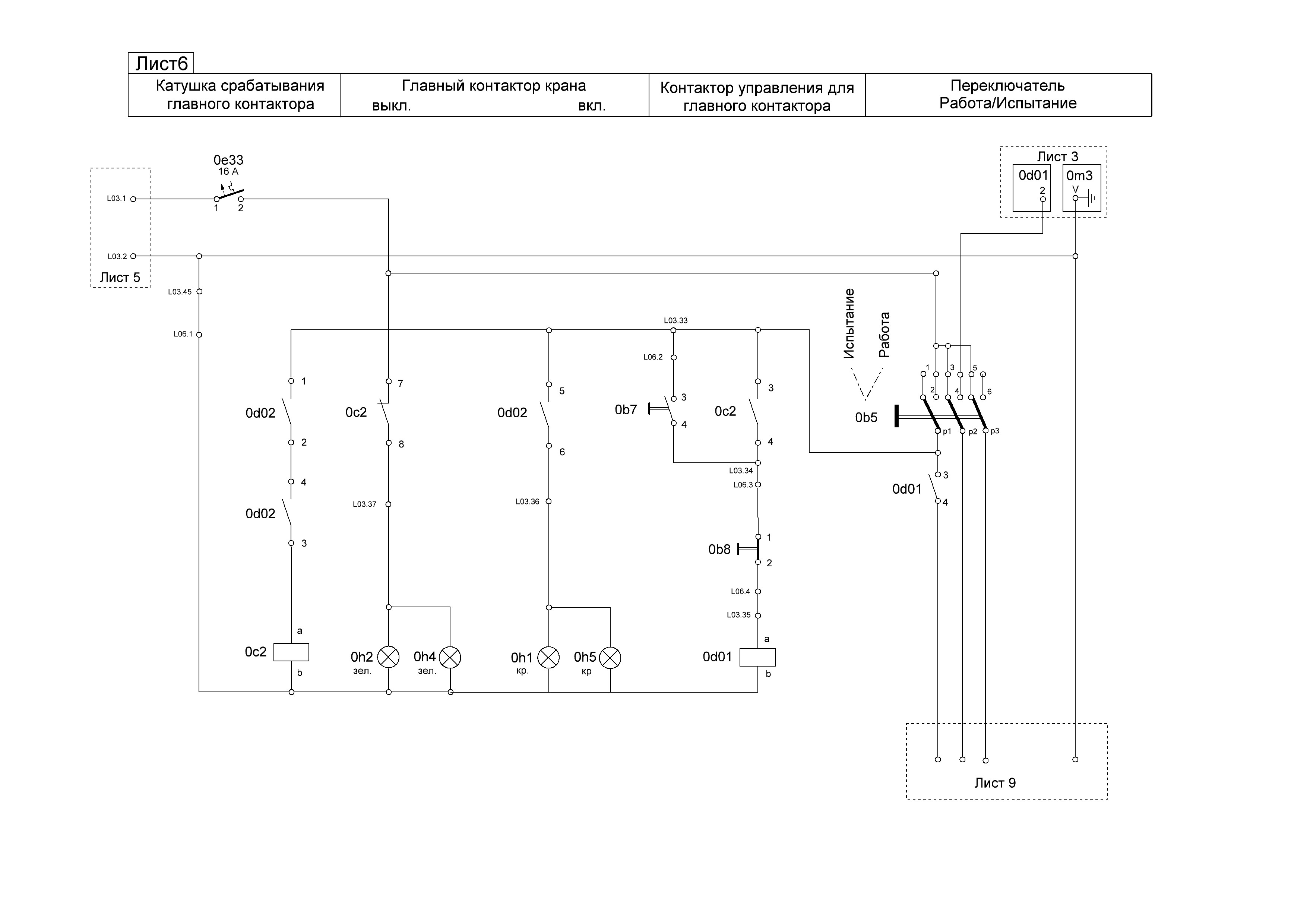
это часть схем, грузовую пока не отсканировал,передвижение позже вышлю.
Вложения
Фото0106.jpg
лист26.jpg
лист25.jpg
лист23.jpg
лист21.jpg
orairo
Сообщения: 28
Зарегистрирован: 18 мар 2017, 00:53

Re: электросхемы для крана Альбатрос 74-77 гг выпуска

Сообщение orairo »

Спасибо Lord.76, у больших схем качество отличное, я как мог подкорректировал уровни, хотя может кому-то и не понравится.
Вложения
Принципиальная схема коммутаций
Принципиальная схема коммутаций
Механизм подъёма
Механизм подъёма
Механизм поворота
Механизм поворота
Механизм стрелы
Механизм стрелы
Реле времени с замедлением включения
Реле времени с замедлением включения
motata92
Сообщения: 4
Зарегистрирован: 19 фев 2021, 15:47

электросхемы для крана Альбатрос 74-77 гг выпуска

Сообщение motata92 »

Схема подвода тока и освещения
Вложения
10.JPG
9.JPG
8.JPG
7.JPG
6.JPG
5.JPG
4.JPG
3.JPG
2.JPG
1.JPG
motata92
Сообщения: 4
Зарегистрирован: 19 фев 2021, 15:47

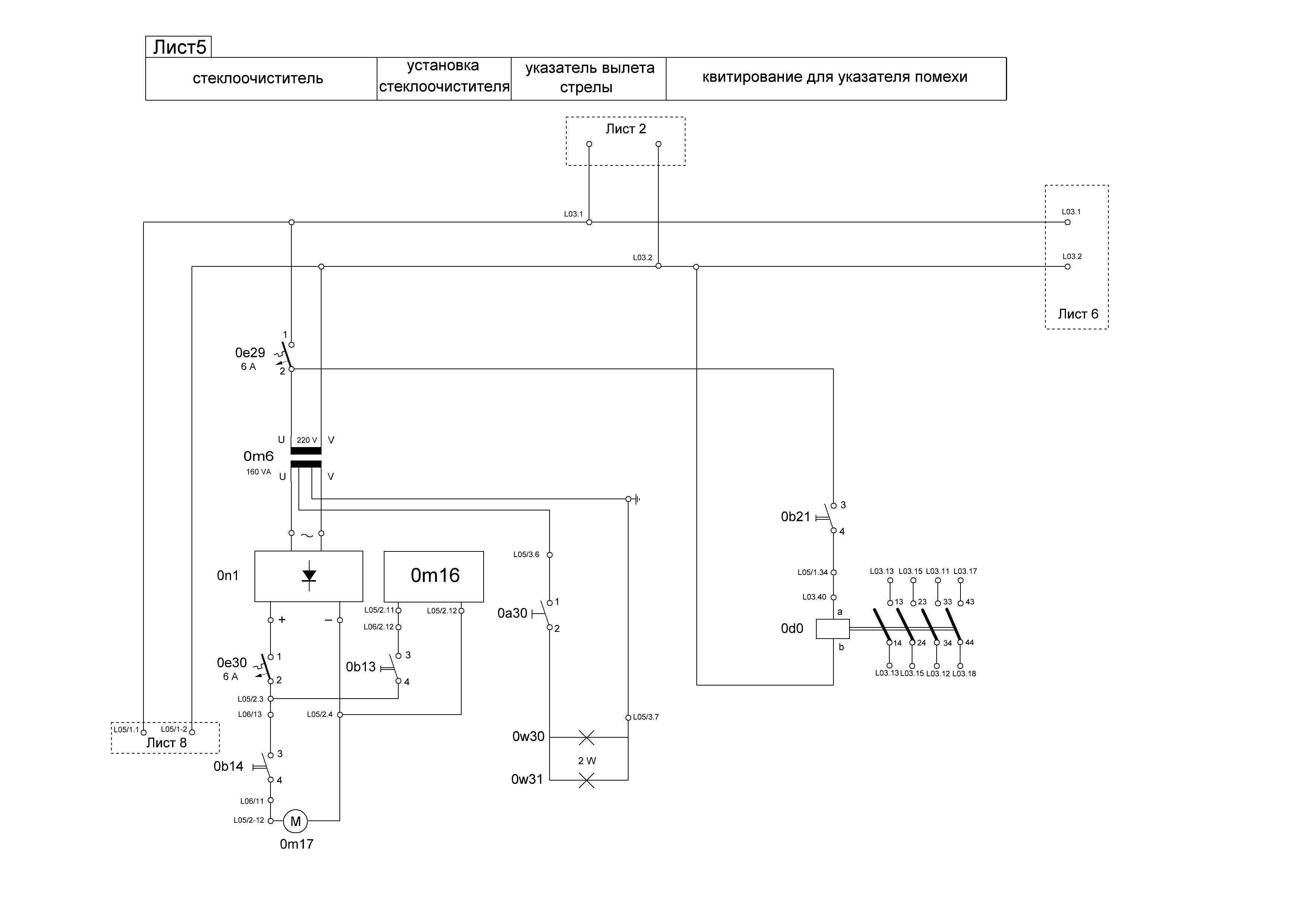
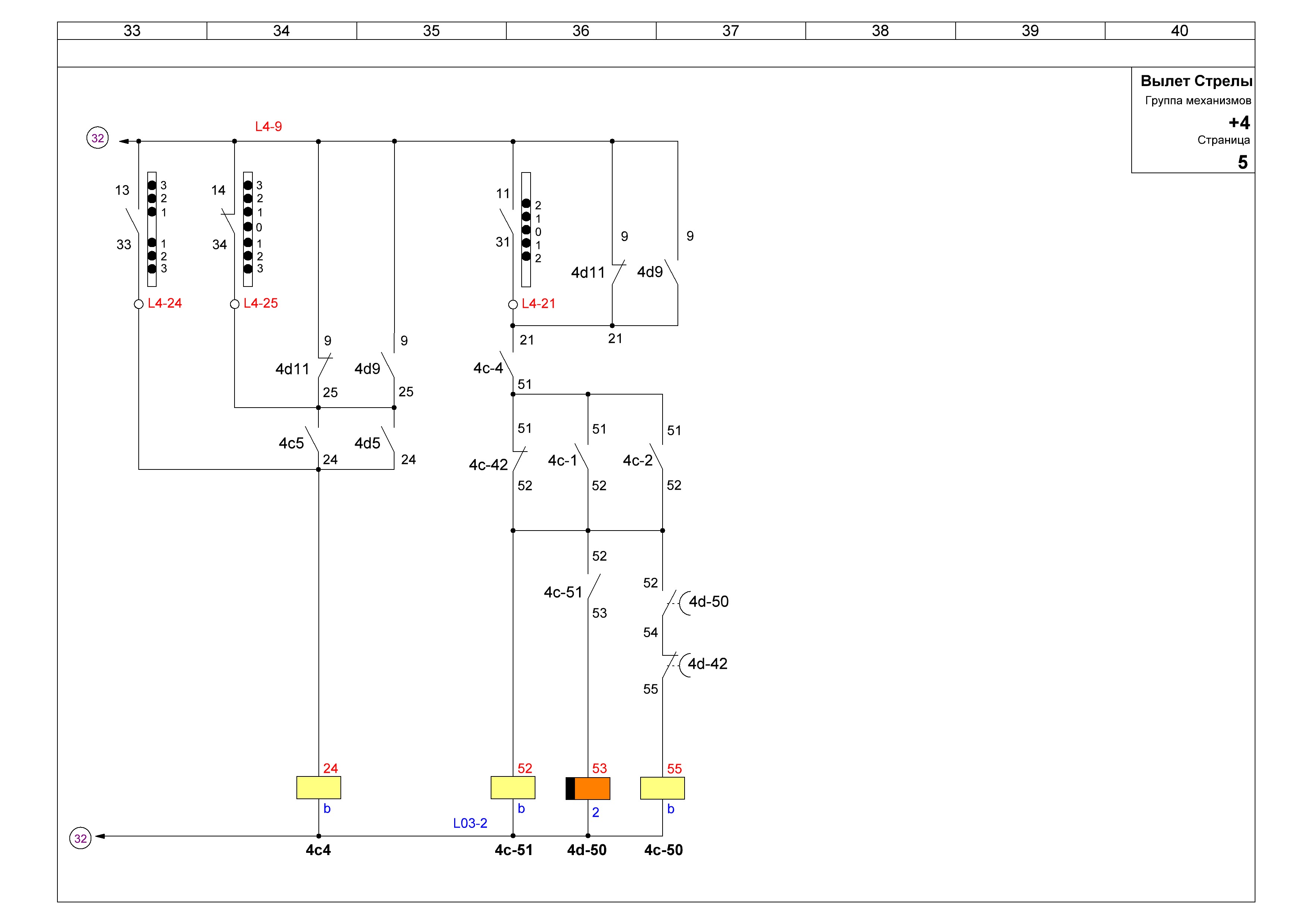
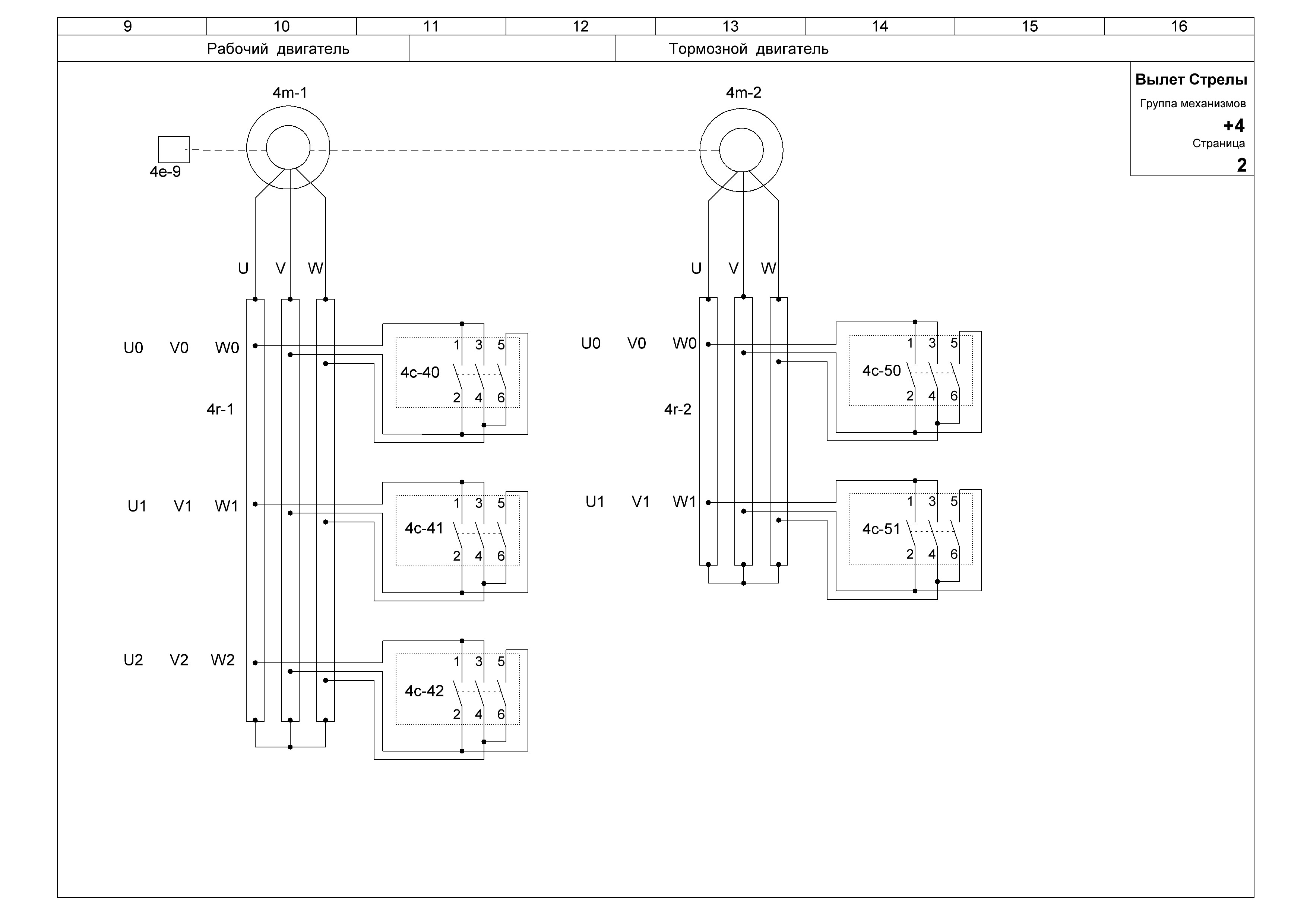
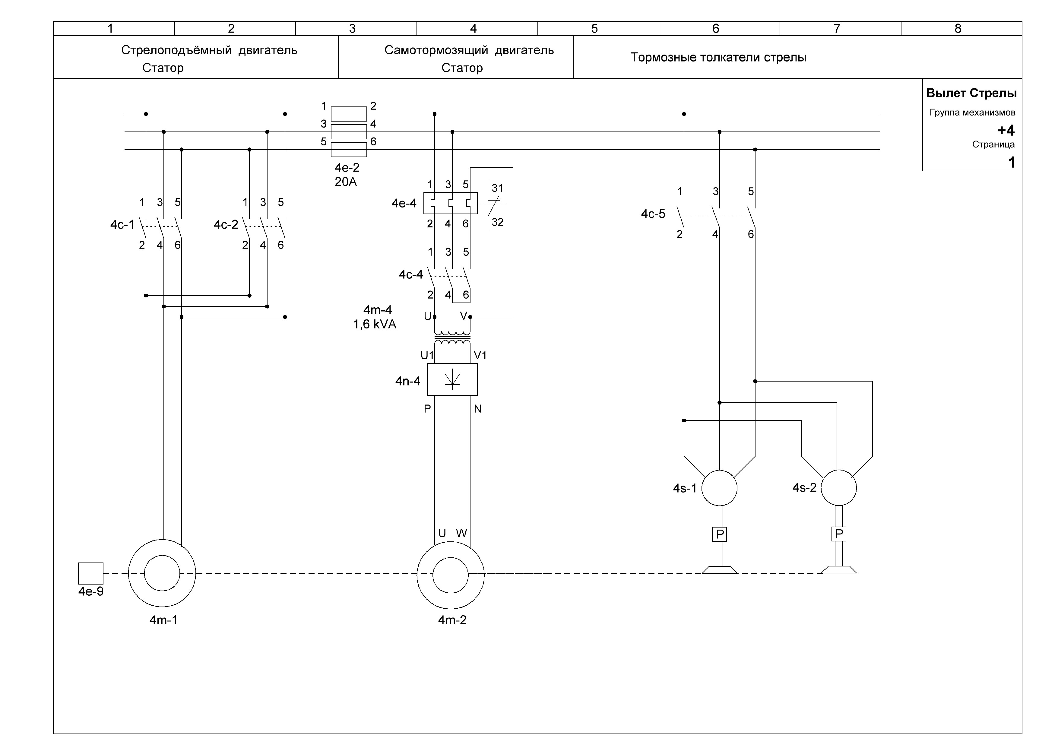
электросхемы для крана Альбатрос

Сообщение motata92 »

Схема вылета стрелы
Вложения
вылет7.JPG
вылет6.JPG
вылет5.JPG
вылет4.JPG
вылет2.JPG
вылет1.JPG
вылет 3.JPG
motata92
Сообщения: 4
Зарегистрирован: 19 фев 2021, 15:47

Замена немецких сопротивлений российскими

Сообщение motata92 »

Альтернативная схема установки сопротивлений механизма передвижения взамен штатных. Схема опробована на действующем кране и работает более двух лет.
Вложения
перед.JPG
Ответить