Электросхемы КПЛ 5-30 проекта 81040

Чертежи, электросхемы, общение...
rusloff
Сообщения: 51
Зарегистрирован: 26 май 2017, 20:29

Электросхемы КПЛ 5-30 проекта 81040

Сообщение rusloff »

81040.120.01.00.00.Э4.JPG
81040.119.01.00.00.Э4.JPG
81040.119.01.00.00.Э4.JPG
81040.100.00.00.00.Э4.jpg
rusloff
Сообщения: 51
Зарегистрирован: 26 май 2017, 20:29

Re: Электросхемы КПЛ 5-30 проекта 81040

Сообщение rusloff »

81040.120.03.00.00.Э4.JPG
mikle9543
Сообщения: 1
Зарегистрирован: 25 июн 2023, 20:53

Re: Электросхемы КПЛ 5-30 проекта 81040

Сообщение mikle9543 »

Класс!!! А нет ли случайно принципиальных схем?
rusloff
Сообщения: 51
Зарегистрирован: 26 май 2017, 20:29

Re: Электросхемы КПЛ 5-30 проекта 81040

Сообщение rusloff »

Схема крановой установки такая же, как на Р99. Есть небольшие отличия - маркировка проводов, добавился механизм опускания кабины, датчики слабины троса. Схема принципиальная ГРЩ1 и ГРЩ4 - аналогично Р99. Принципиальные схемы еще есть, надо их "оцифровать".
rusloff
Сообщения: 51
Зарегистрирован: 26 май 2017, 20:29

Re: Электросхемы КПЛ 5-30 проекта 81040

Сообщение rusloff »

ГРЩ2
81040-61-4Э3.JPG
rusloff
Сообщения: 51
Зарегистрирован: 26 май 2017, 20:29

Re: Электросхемы КПЛ 5-30 проекта 81040

Сообщение rusloff »

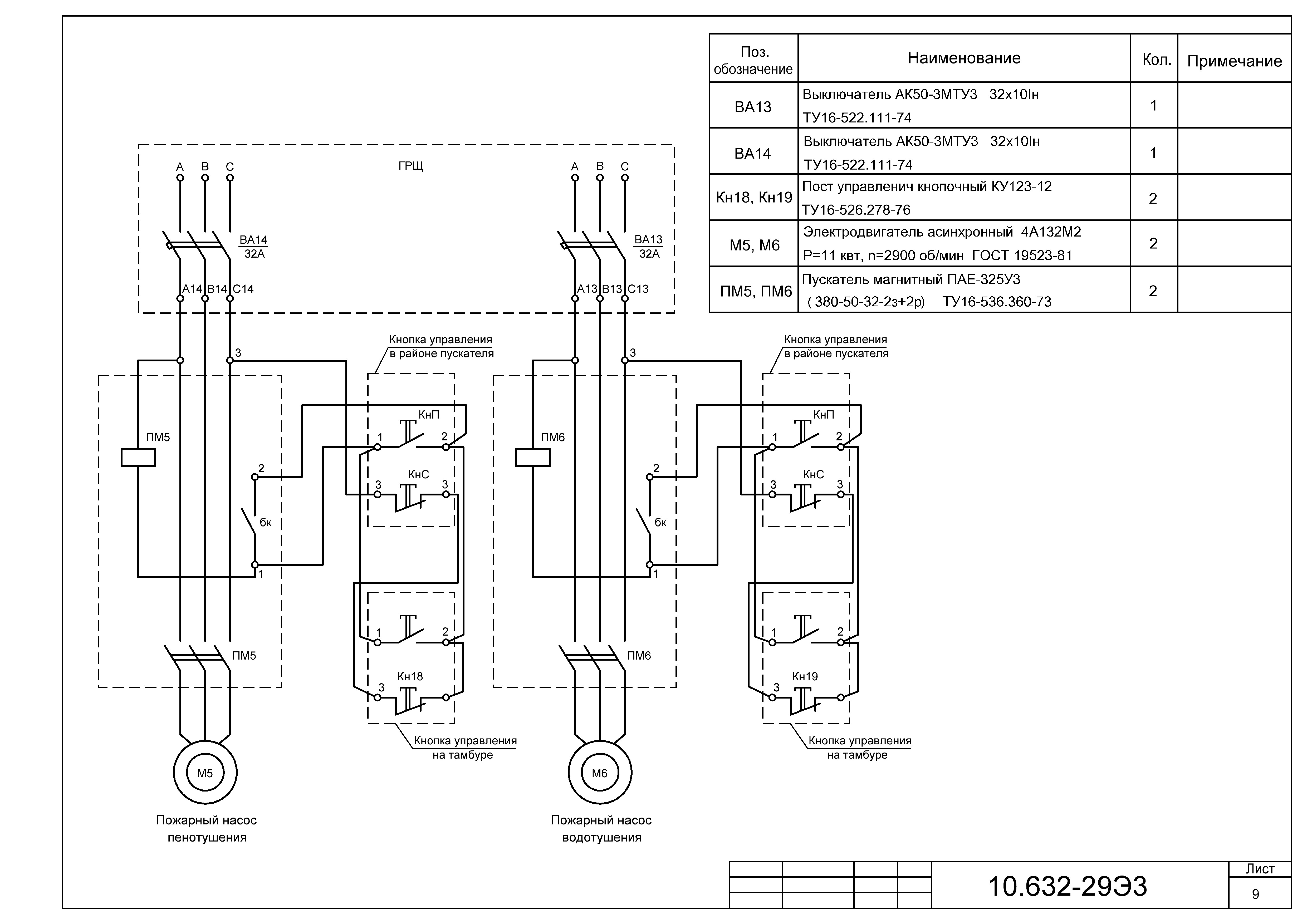
Принципиальные схемы управления вспомогательными механизмами (понтон)
10.632-29Э3.1.JPG
10.632-29Э3.2.JPG
10.632-29Э3.3.JPG
10.632-29Э3.4.JPG
10.632-29Э3.5.JPG
10.632-29Э3.6.JPG
10.632-29Э3.7.JPG
10.632-29Э3.8.JPG
10.632-29Э3.9.JPG
10.632-29Э3.10.JPG
rusloff
Сообщения: 51
Зарегистрирован: 26 май 2017, 20:29

Re: Электросхемы КПЛ 5-30 проекта 81040

Сообщение rusloff »

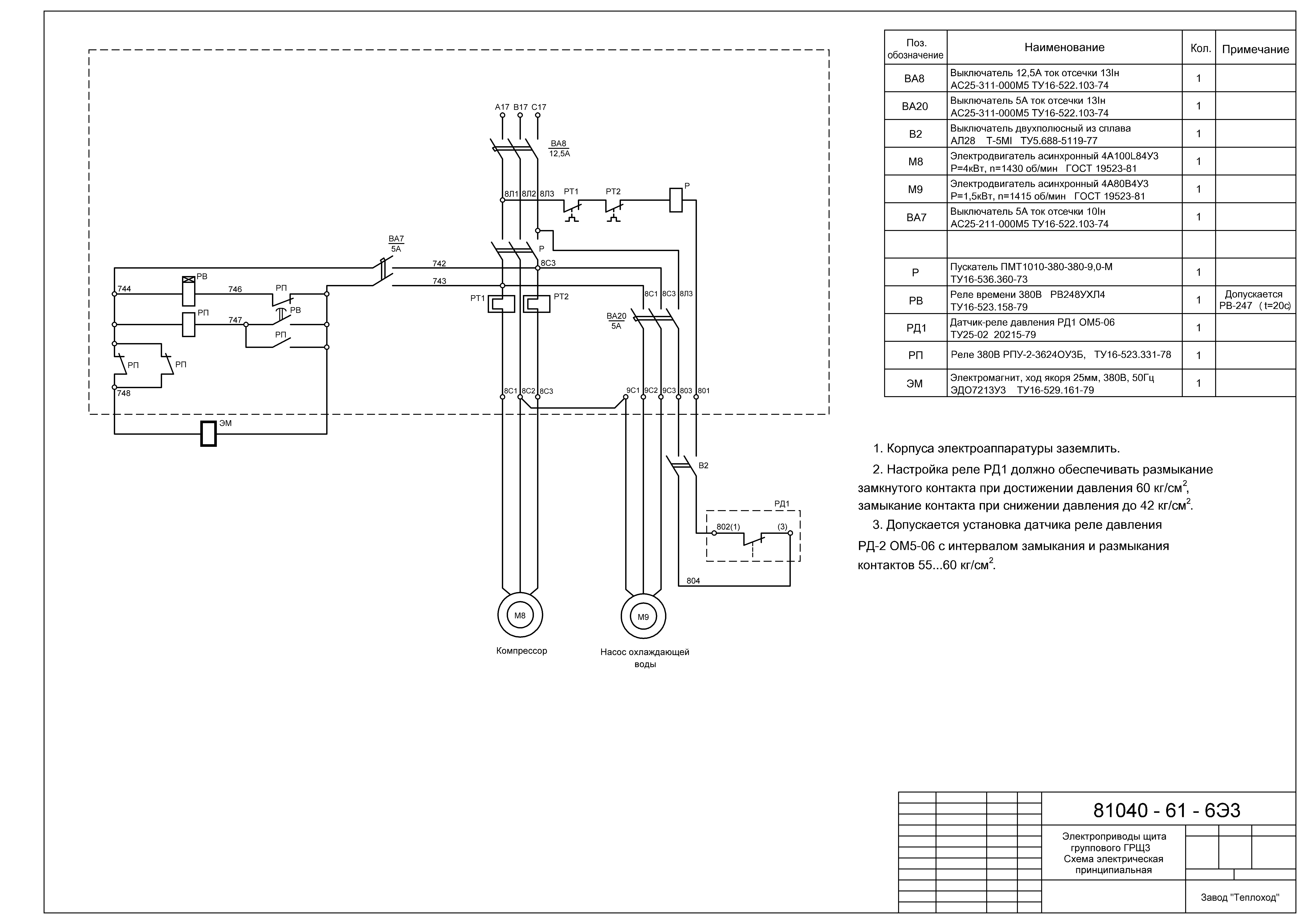
ГРЩ3
81040-61-6Э3.JPG
Сеть отопления
81040-64-7Э6.JPG
rusloff
Сообщения: 51
Зарегистрирован: 26 май 2017, 20:29

Re: Электросхемы КПЛ 5-30 проекта 81040

Сообщение rusloff »

В первом посте ошибочно две одинаковых схемы скинул. Вот Магнитный контроллер 2.
81040.119.02.00.00.Э4.JPG
Ant-poc
Сообщения: 6
Зарегистрирован: 12 авг 2023, 15:21

Re: Электросхемы КПЛ 5-30 проекта 81040

Сообщение Ant-poc »

А есть схема ГРЩ?
Ant-poc
Сообщения: 6
Зарегистрирован: 12 авг 2023, 15:21

Re: Электросхемы КПЛ 5-30 проекта 81040

Сообщение Ant-poc »

Сигнализация судовых систем
Вложения
сигнализация судовых систем.jpg
rusloff
Сообщения: 51
Зарегистрирован: 26 май 2017, 20:29

Re: Электросхемы КПЛ 5-30 проекта 81040

Сообщение rusloff »

Про самую главную схему забыл. Есть два варианта, там несколько отличий.
81040-63-3Э3-01.JPG
81040-63-3Э3-02.JPG
Ant-poc
Сообщения: 6
Зарегистрирован: 12 авг 2023, 15:21

Re: Электросхемы КПЛ 5-30 проекта 81040

Сообщение Ant-poc »

Таблица нагрузок
Вложения
таблица нагрузок.jpg
Ant-poc
Сообщения: 6
Зарегистрирован: 12 авг 2023, 15:21

Re: Электросхемы КПЛ 5-30 проекта 81040

Сообщение Ant-poc »

Сеть потребителей
Вложения
сеть потребителей.jpg
rusloff
Сообщения: 51
Зарегистрирован: 26 май 2017, 20:29

Re: Электросхемы КПЛ 5-30 проекта 81040

Сообщение rusloff »

Отлично, если еще есть, выкладывайте. Такую информацию не просто найти. Сканы даже лучше, рисовать на компе очень муторно и долго.
Ant-poc
Сообщения: 6
Зарегистрирован: 12 авг 2023, 15:21

Re: Электросхемы КПЛ 5-30 проекта 81040

Сообщение Ant-poc »

Вылет , поворот
Вложения
Схема.jpg
Ответить