Кран портальный монтажный 16т ЗПТО им. Кирова(1964г.)

Другие портальные краны, общение на тему портальных кранов
Ответить
motata92
Сообщения: 4
Зарегистрирован: 19 фев 2021, 15:47

Кран портальный монтажный 16т ЗПТО им. Кирова(1964г.)

Сообщение motata92 »

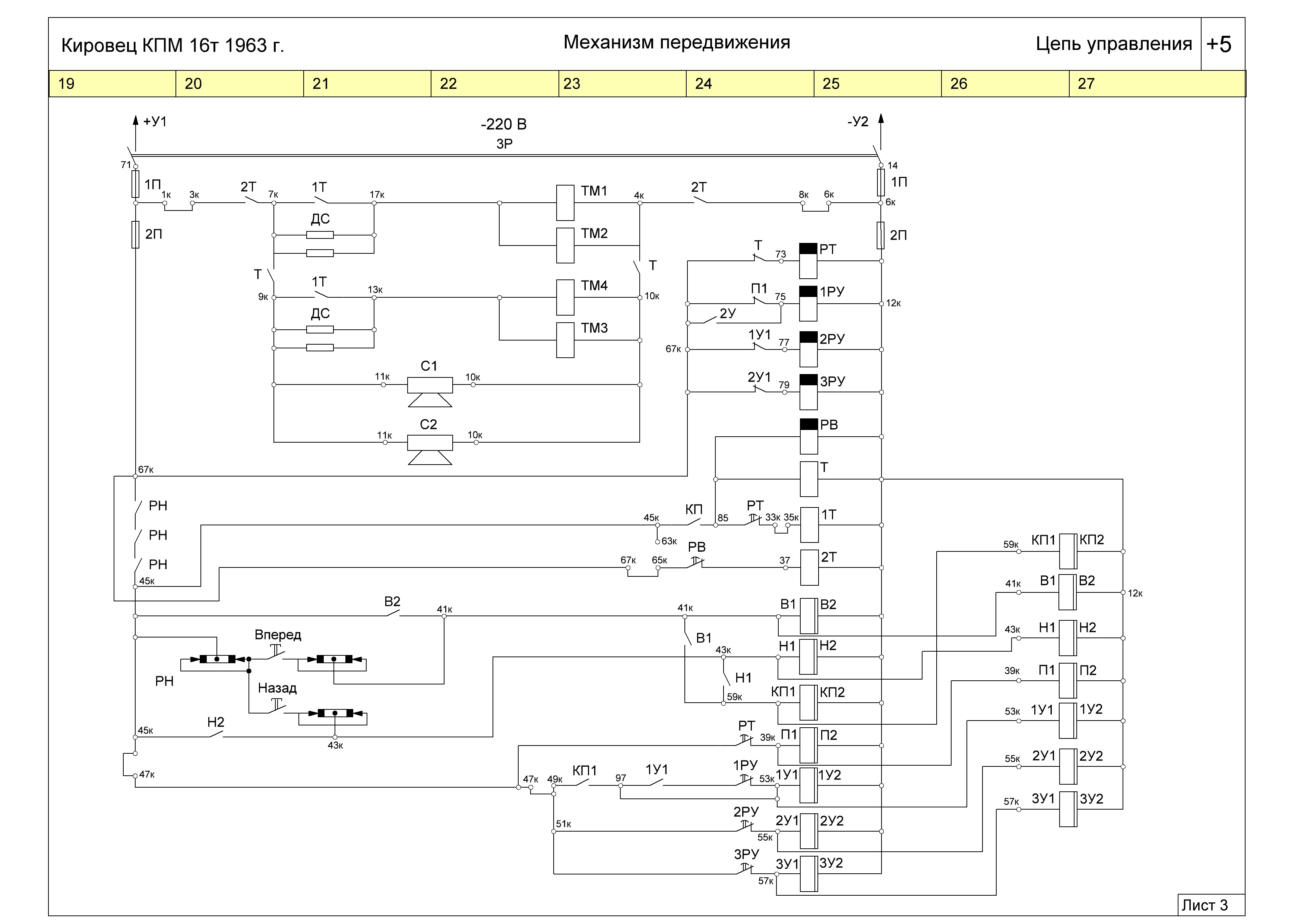
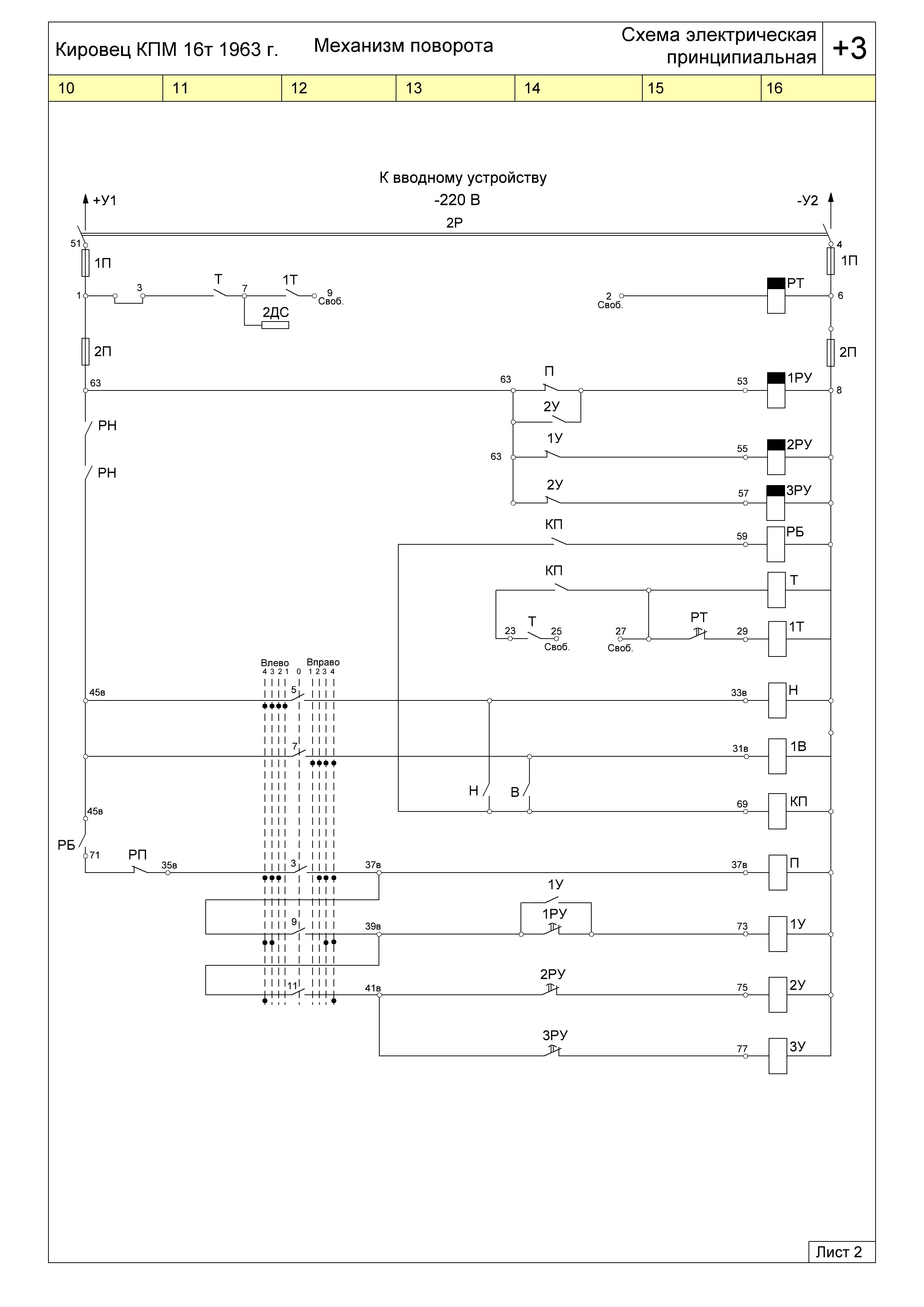
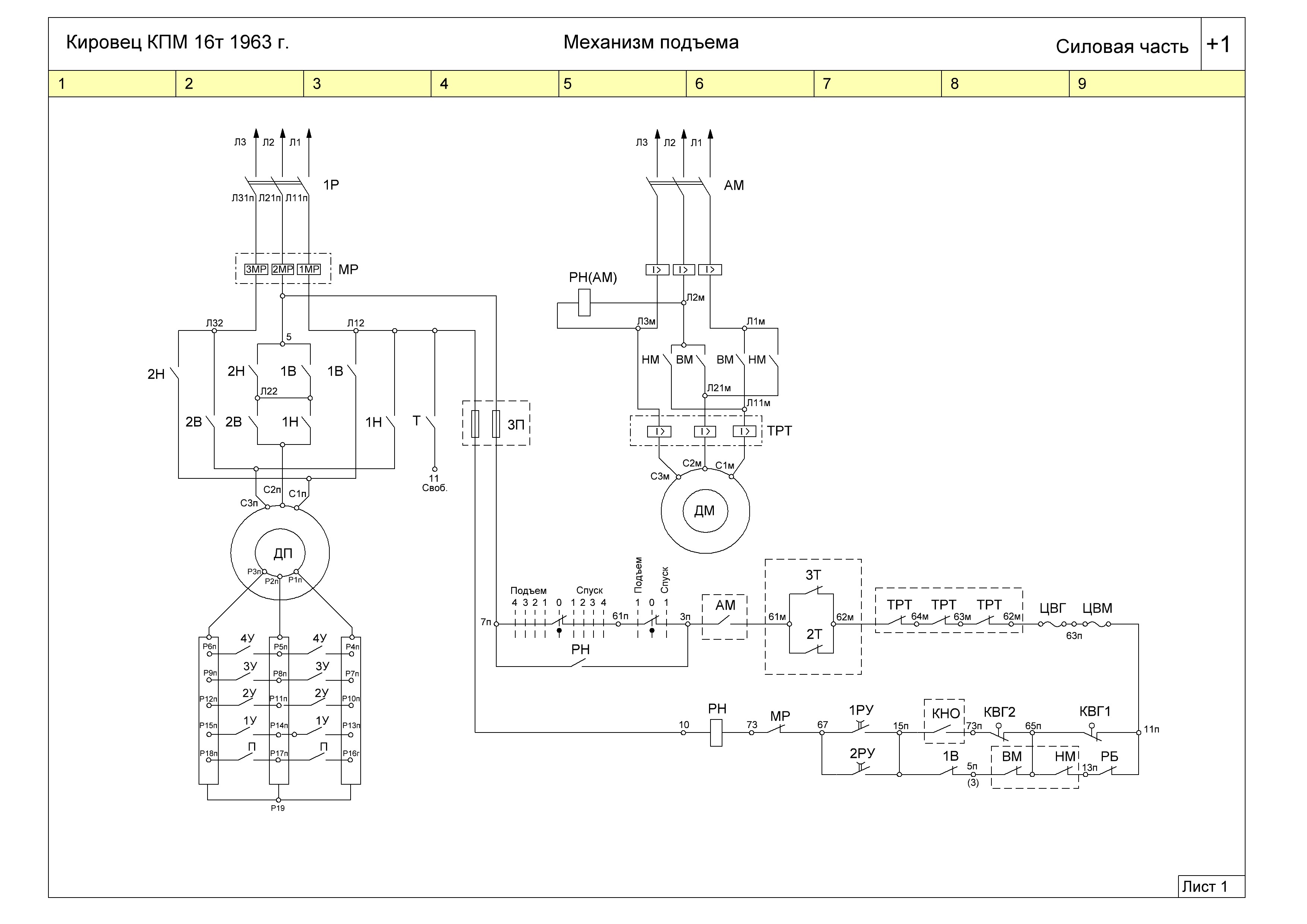
Схемы электрические принципиальные к портальному крану КПМ 16т. В зависимости от года постройки некоторые детали схемы отличаются, включая обозначения.
Вложения
передвиж3.JPG
передвиж2.JPG
передвиж1.JPG
мехпод3.JPG
мехпод2.JPG
мехпод1.JPG
мехпов2.JPG
мехпов1.JPG
вылет2.JPG
вылет1.JPG
Ответить