Электросхемы СПК "Блейхерт-1" г/п 15т.

Чертежи, электросхемы, общение...
Ответить
rusloff
Сообщения: 51
Зарегистрирован: 26 май 2017, 20:29

Электросхемы СПК "Блейхерт-1" г/п 15т.

Сообщение rusloff »

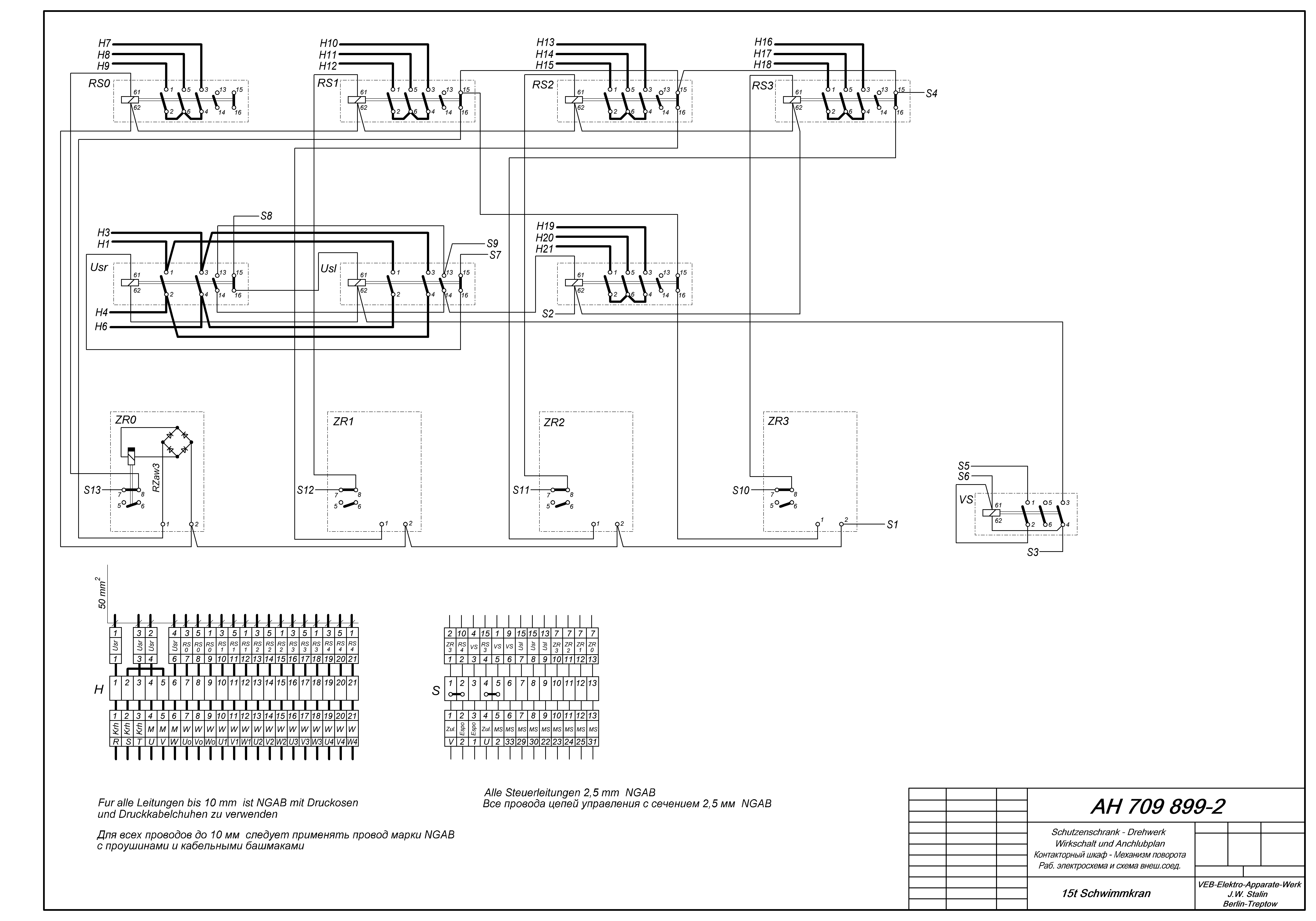
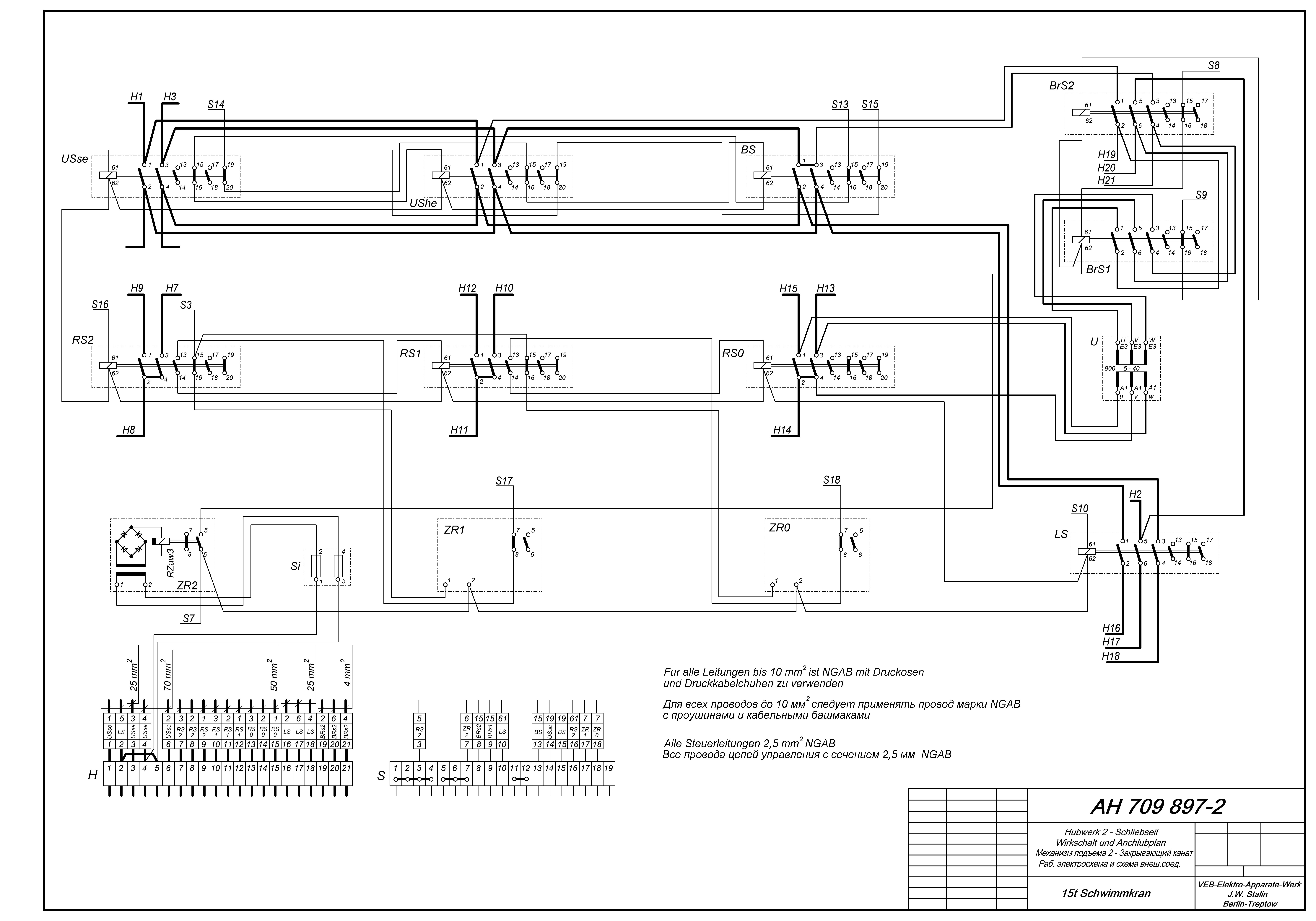
СПК "Блейхерт-1" г/п15т.
Пока нет схемы вылета стрелы.
AS 724 001-01.JPG
AH 709 896-2.JPG
AH 709 897-2.JPG
AH 709 899-2.JPG
rusloff
Сообщения: 51
Зарегистрирован: 26 май 2017, 20:29

Re: Электросхемы СПК "Блейхерт-1" г/п 15т.

Сообщение rusloff »

Отсканировал альбом с фотографиями СПК "Блейхерт-1" г/п 15т.
rusloff
Сообщения: 51
Зарегистрирован: 26 май 2017, 20:29

Re: Электросхемы СПК "Блейхерт-1" г/п 15т.

Сообщение rusloff »

AS 723 353-0.JPG
AS 723 354-0.JPG
Все схемы для крана проекта 8520 1956 г.в.
Ответить