Электросхемы КПЛ 5-30 проекта Р99

Чертежи, электросхемы, общение...
Ответить
rusloff
Сообщения: 51
Зарегистрирован: 26 май 2017, 20:29

Электросхемы КПЛ 5-30 проекта Р99

Сообщение rusloff »

Serom, добавьте djvu в разрешенные файлы. Пишет "неверный формат файла".
rusloff
Сообщения: 51
Зарегистрирован: 26 май 2017, 20:29

Re: Электросхемы кранов

Сообщение rusloff »

Электросхемы Плавкран КПЛ 5-30 проекта Р99.
Р99-62-09Э4.JPG
Р99-62-08Э4.JPG
Р99-62-06Э3.JPG
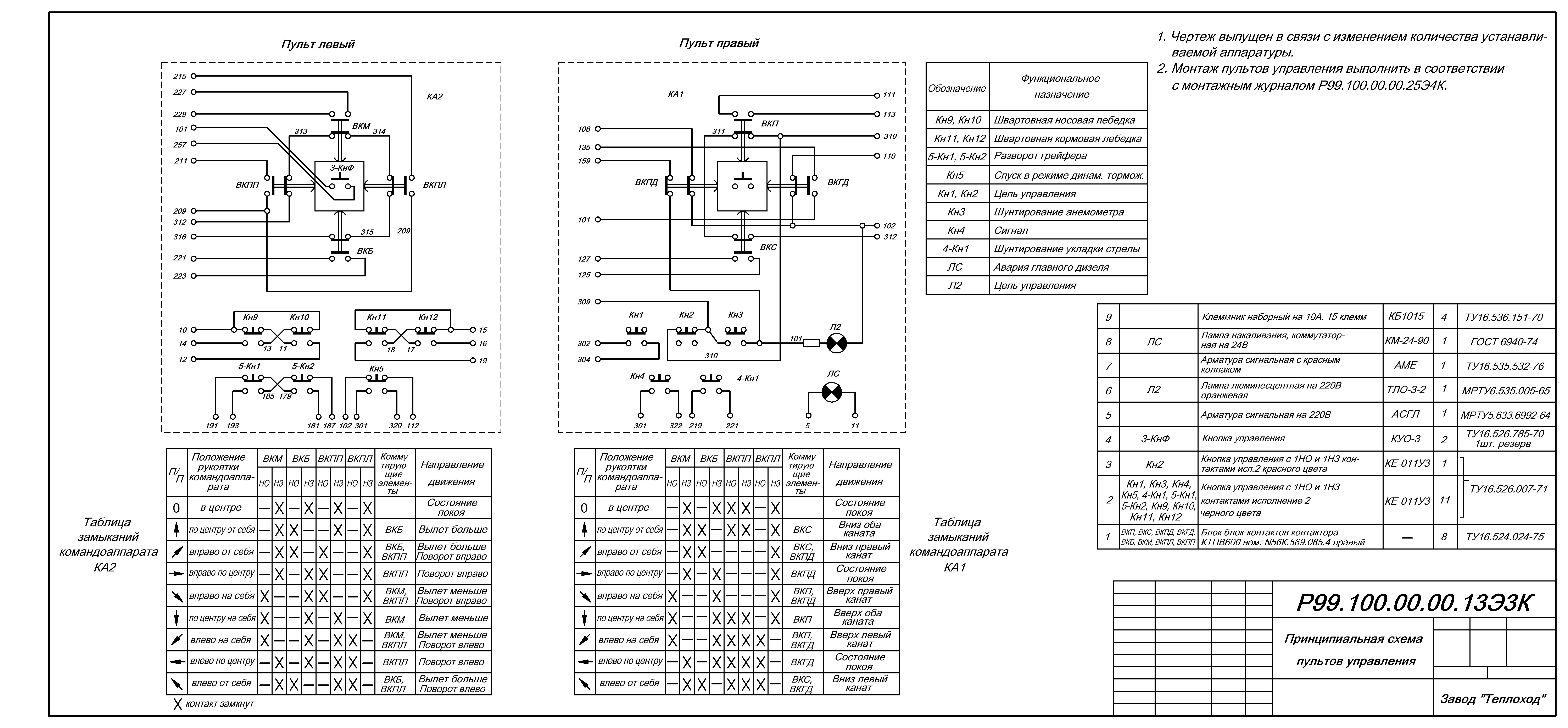
Р99.100.00.00.42Э4.JPG
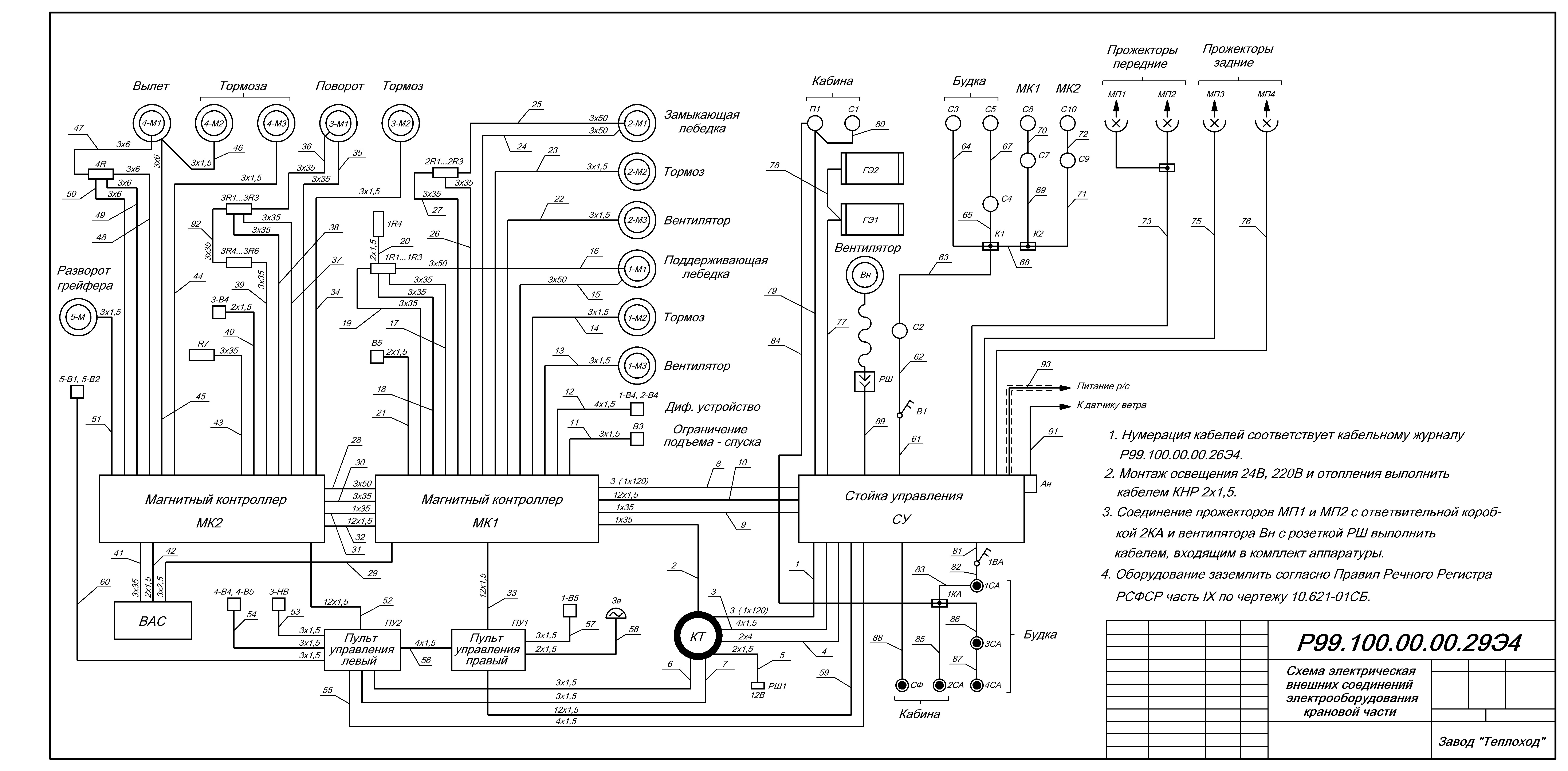
Р99.100.00.00.29Э4.JPG
Р99.100.00.00.26Э3.JPG
10.632-18Э3.JPG
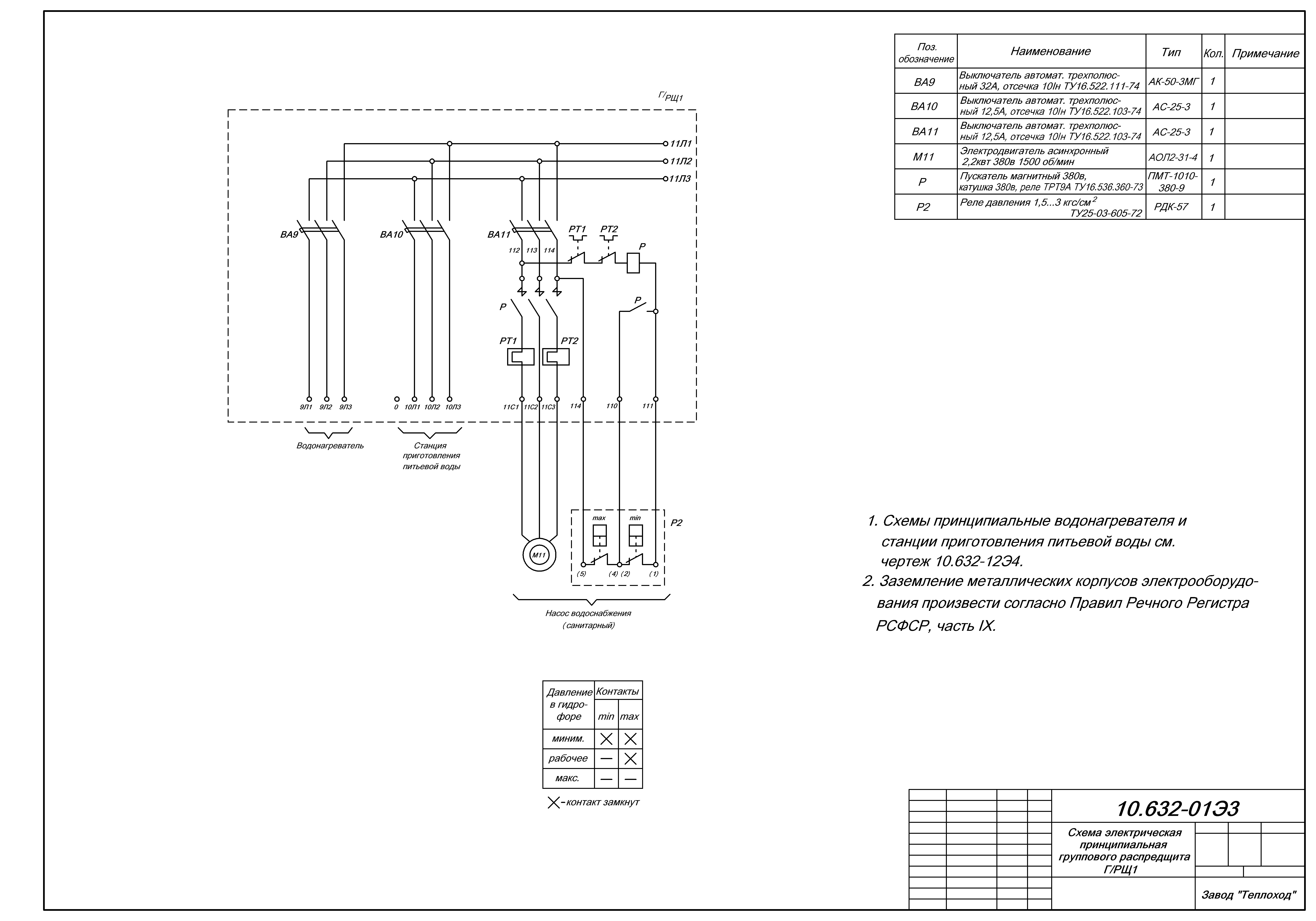
10.632-01Э3.JPG
10.631-02Э3-01.JPG
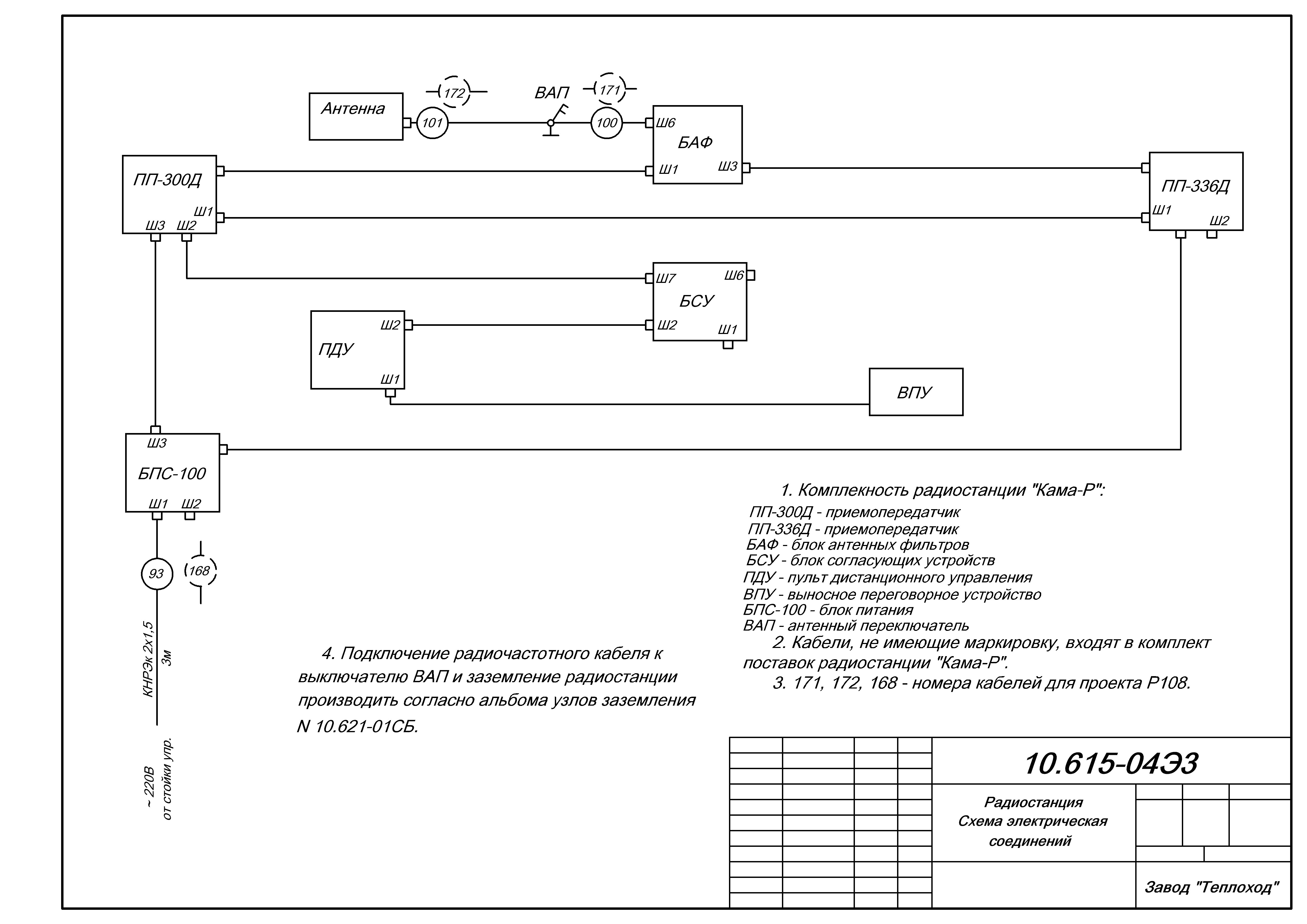
10.615-04Э3.JPG
serom
Администратор
Сообщения: 18
Зарегистрирован: 18 ноя 2016, 02:09

Re: Электросхемы кранов

Сообщение serom »

rusloff писал(а): 12 июн 2018, 10:48 Serom, добавьте djvu в разрешенные файлы. Пишет "неверный формат файла".
Rusloff, добавил.
rusloff
Сообщения: 51
Зарегистрирован: 26 май 2017, 20:29

Re: Электросхемы кранов

Сообщение rusloff »

Приложения для КПЛ 5-30.
Приложение 2.djvu
(39.77 КБ) 2247 скачиваний
rusloff
Сообщения: 51
Зарегистрирован: 26 май 2017, 20:29

Re: Электросхемы КПЛ 5-30 проекта Р99

Сообщение rusloff »

Р99.100.00.00.12Э3К.JPG
Р99.100.00.00.13Э3К.JPG
10.632-21Э3.JPG
Приложение 1.djvu
(4.24 МБ) 2399 скачиваний
10.632-10Э4.djvu
(5.61 МБ) 2417 скачиваний
Р99.100.00.00.25Э4.djvu
(6.34 МБ) 2321 скачивание
Р99-60-8ИЭ.djvu
(14.36 МБ) 2397 скачиваний
григорий
Сообщения: 1
Зарегистрирован: 23 дек 2018, 14:34

Re: Электросхемы КПЛ 5-30 проекта Р99

Сообщение григорий »

доброго времени суток необходима инструкция по укладке стрелы плавкрана КПЛ 5-30
rusloff
Сообщения: 51
Зарегистрирован: 26 май 2017, 20:29

Re: Электросхемы КПЛ 5-30 проекта Р99

Сообщение rusloff »

На правом пульте (где управление лебедками) есть кнопка "Шунтирование укладки стрелы. Нужно ее нажать и не отпуская ее левым рычагом опускать стрелу вперед. Стрела опустится до самой подставки на палубе. Эта кнопка шунтирует конечный выключатель, который находится у основания стрелы.
Для подъема стрелы нажимать кнопку не надо, просто левым рычагом на себя.
rusloff
Сообщения: 51
Зарегистрирован: 26 май 2017, 20:29

Re: Электросхемы КПЛ 5-30 проекта Р99

Сообщение rusloff »

Не уверен, но по-моему еще нужно отсоединить оттяжку стрелы (трос, цепляется к хоботу или "гуську").
Ярослав
Сообщения: 1
Зарегистрирован: 26 май 2020, 09:48

Re: Электросхемы КПЛ 5-30 проекта Р99

Сообщение Ярослав »

А какая у него максимальная грузоподъемность ?
Konstantin
Сообщения: 1
Зарегистрирован: 15 мар 2021, 13:08

Re: Электросхемы КПЛ 5-30 проекта Р99

Сообщение Konstantin »

Здравствуйте! поделитесь пожалуйста схемами РШ 2, РШ 3 очень нужно! Заранее благодарю!!!!
Ответить