Может кто сталкивался с ремонтом подпятника крана "Сокол" (не утопленного).
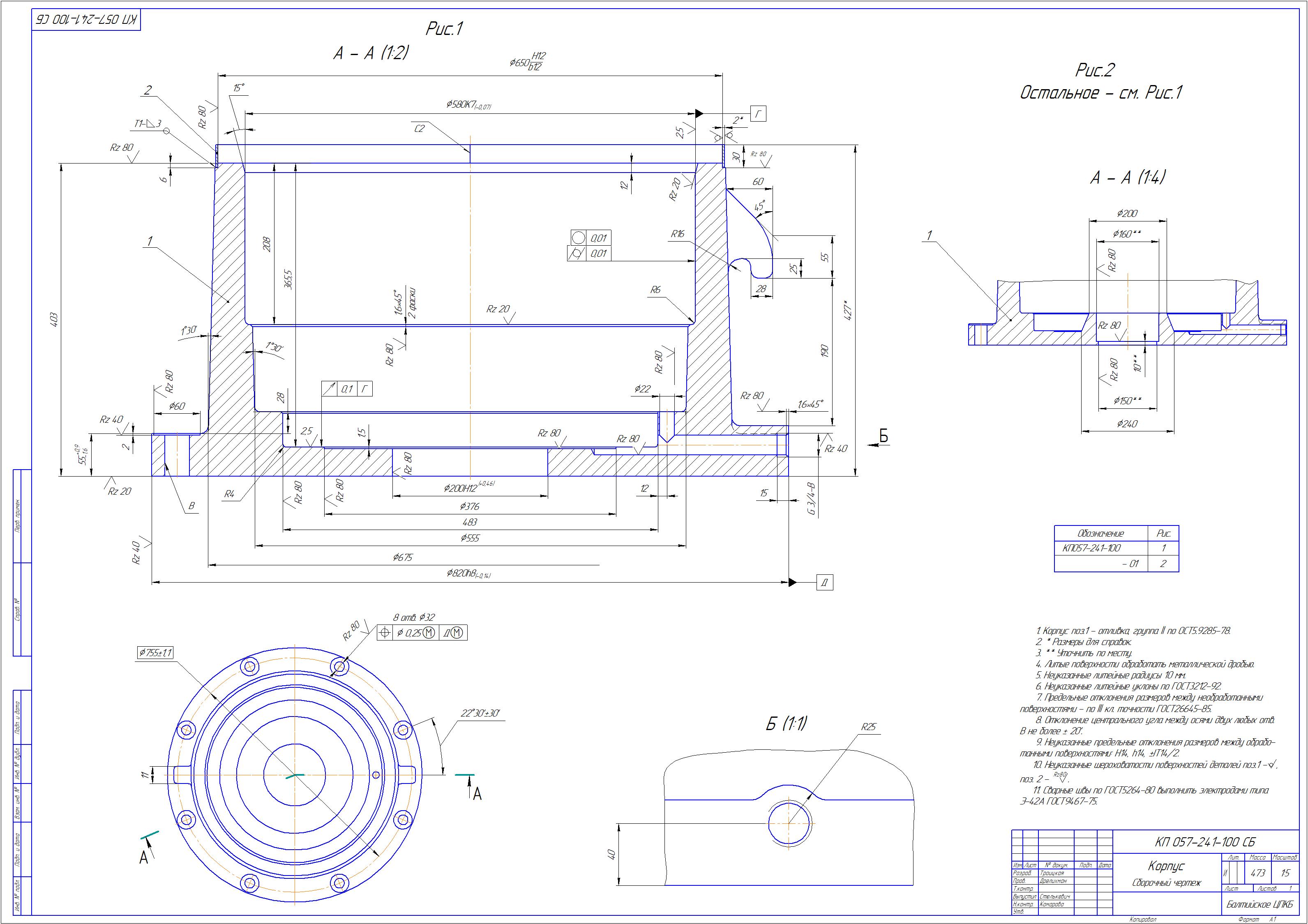
У меня вопрос по промежуточному кольцу (позиция 3).
Я так понимаю точка, вокруг которой нижний подшипник "отклоняется", должна совпадать с центром верхнего подшипника (расстояние s).
Верхний подшипник 22356 шириной 175 мм.
У нижнего подшипника (29360) расстояние s=168 мм.
Получаем расстояние между подшипниками 168-(175/2)=80,5 мм.
В чертеже расстояние между опорными поверхностями 80 мм.
Может у кого есть соображения по этому поводу, чему верить?
Подпятник п/к Сокол
Re: Подпятник п/к Сокол
А почему тебя это так волнует?)) В этой размерной цепи очень много свободных размеров, к примеру размер 80, как показано в чертеже имеет допуск ±IT14/2, который переведя на человеческий будет значить ±0,37, что сопоставимо с твоим вопросом. Для таких габаритных размеров величина 0,5 мм не играет вообще никакого значения. К тому же я сейчас перевернул 3 источника инфы по КП140-241-003 и везде стоит свободный размер 80. А если учесть, что цепь опоры не имеет жесткой фиксации в направлении "к верху", что вполне объяснимо особенностью работы этого узла, то все обоснованно. К тому же устройство опоры должно гарантировать зазор между крышкой и корпусом.
Re: Подпятник п/к Сокол
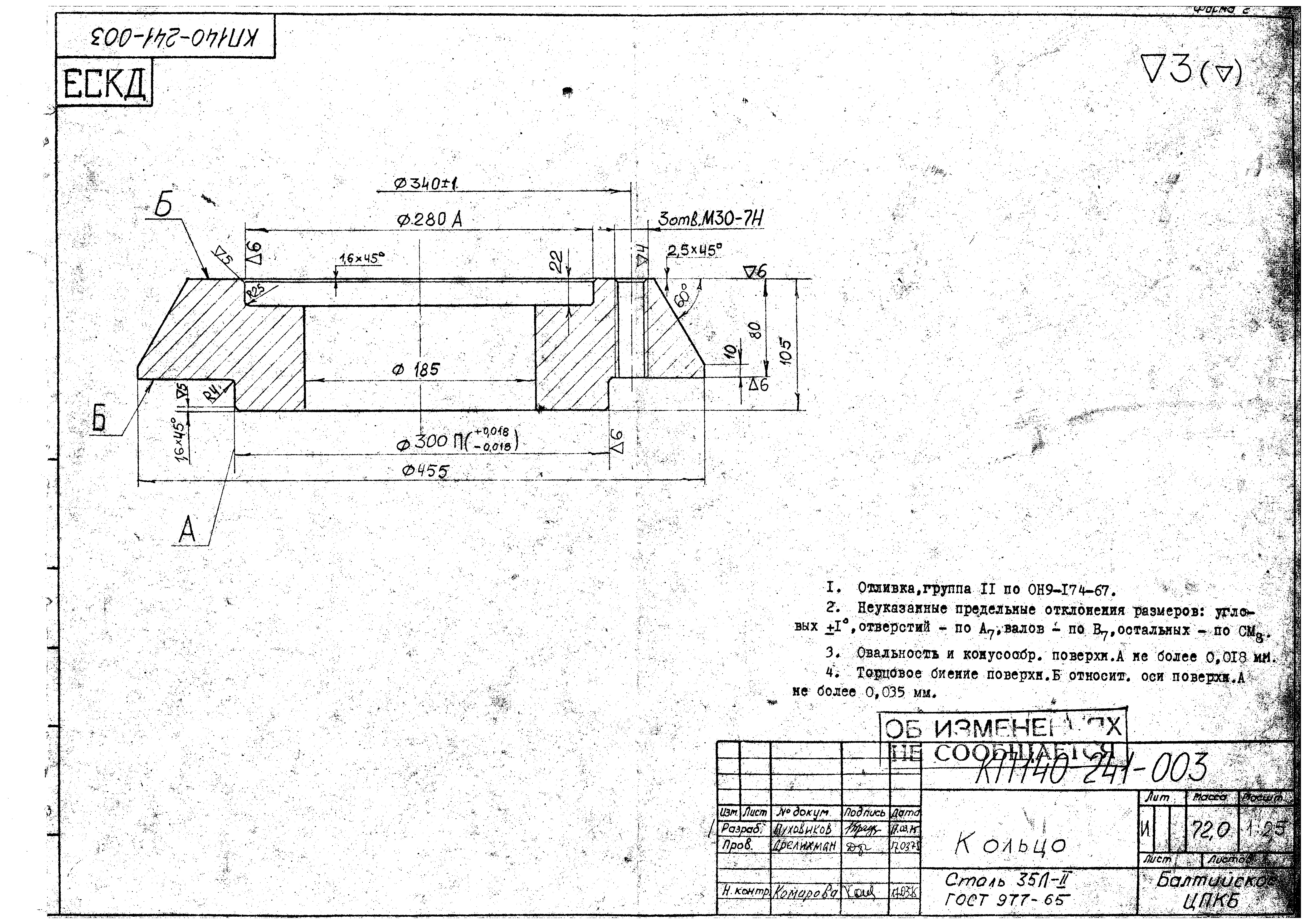
В цепи между подшипниками это просто единственный размер. Касается вся эта пирамида по синим линиям, где зелёная - зазор. Наклоняется понятно что благодаря сферической конструкции подшипников.
И в целом я соглашусь, что 0,5 мм тут вроде как роли не играет.
Но мы 7 месяцев назад установили запасной подпятник на кран, он сразу начал щёлкать при повороте, ну и щёлкал до тех пор пока мы его не заменили недавно.
Разбираем, внизу стальной и латунный порошок - опорным подшипником выжрало дно корпуса, плюс почему-то стирало сепаратор нижнего подшипника.
Первая мысль что токарь плохо выставил деталь, и диаметры, которые я обозначил жёлтым, несоосны, тогда получится что-то вроде эксцентрика, и нижний подшипник при повороте крана начнёт "таскать" по дну. Замерили, несоосность ~0,2 мм. Как-то я под сомнениями что из-за этого могло выжрать дно.
Рассматриваю естественно все варианты, начал и этот размер 80 смотреть...
В общем пока мне не понятно в чём причина.
И в целом я соглашусь, что 0,5 мм тут вроде как роли не играет.
Но мы 7 месяцев назад установили запасной подпятник на кран, он сразу начал щёлкать при повороте, ну и щёлкал до тех пор пока мы его не заменили недавно.
Разбираем, внизу стальной и латунный порошок - опорным подшипником выжрало дно корпуса, плюс почему-то стирало сепаратор нижнего подшипника.
Первая мысль что токарь плохо выставил деталь, и диаметры, которые я обозначил жёлтым, несоосны, тогда получится что-то вроде эксцентрика, и нижний подшипник при повороте крана начнёт "таскать" по дну. Замерили, несоосность ~0,2 мм. Как-то я под сомнениями что из-за этого могло выжрать дно.
Рассматриваю естественно все варианты, начал и этот размер 80 смотреть...
В общем пока мне не понятно в чём причина.
Re: Подпятник п/к Сокол
У меня только 1 ответ: нижний подшипник 9039360 был в нерабочем состоянии. Говорить о каких-то несоосностях или превышения пределов на 0,5 мм, по моему мнению, не следует. Зазор в посадке нижнего подшипника 3(!!!) мм на диаметр (размер диаметр 483, кстати, тоже свободный размер, а размер D подшипника имеет значение 480). 0,5мм по высоте при целой куче свободных размеров не играет вообще никакой роли. Причина только одна: нерабочий нижний подшипник, который заклинил. Почему он заклинил - можно поразмышлять, но почти уверен, что любые измышления будут просто теорией, которую уже не подтвердить. У меня был случай, когда подшипники в опоре превращались в мелкий песок, а верхняя крышка корпуса опоры имела борозду глубиной 10мм. Посмотрю в архиве фотки - если найду - выложу.
Re: Подпятник п/к Сокол
В том-то и дело что нижний подшипник целый, как и верхний. Единственная потёртость на нижнем подшипнике это плоскость, которой он опирался на дно корпуса.
А про 3 мм по диаметру вполне логично, ведь нижняя обойма во время сборки сама центруется по роликам.
В любом случае нижний подшипник под замену, раз с него нагнало латунного порошка из сепаратора (хотя визуально сепаратор целый).
Ну и несоосность на кольце всё же я устраню, хоть она и незначительная. Оставлять всё как было как-то не хочется.
Возможно подшипник и был неисправен изначально, но что-то мне в это мало вериться, устанавливали новый.
Кстати, Валерий, неплохие у тебя чертежи, я работаю ещё с альбомами 1975 года. На более новых кранах многие вещи уже сделаны чуть иначе, приходиться самому для токарей чертежи рисовать.
А про 3 мм по диаметру вполне логично, ведь нижняя обойма во время сборки сама центруется по роликам.
В любом случае нижний подшипник под замену, раз с него нагнало латунного порошка из сепаратора (хотя визуально сепаратор целый).
Ну и несоосность на кольце всё же я устраню, хоть она и незначительная. Оставлять всё как было как-то не хочется.
Возможно подшипник и был неисправен изначально, но что-то мне в это мало вериться, устанавливали новый.
Кстати, Валерий, неплохие у тебя чертежи, я работаю ещё с альбомами 1975 года. На более новых кранах многие вещи уже сделаны чуть иначе, приходиться самому для токарей чертежи рисовать.
Re: Подпятник п/к Сокол
Многие чертежи мы сами перерабатываем. На старых чертежах старая система обозначений, а я считаю снобизмом без цифровых значений оставлять только квалитеты, поэтому стараюсь везде прописывать поля допусков. Кстати, причиной стука могла бы быть трещина в обойме, а также стучать ролики в сепараторе, который имеет выработку (увеличенный зазор).
Re: Подпятник п/к Сокол
Столкнулся точно с такой же проблемой, ничего не помогает, кран как стучал так и стучит. Может кто-то знает как это исправить ?
Re: Подпятник п/к Сокол
Удалось решить данную проблему, по крайней мере с последнего моего сообщения перебрали два подпятника, пока всё отлично.Xmk писал(а): 24 июн 2019, 17:27 Столкнулся точно с такой же проблемой, ничего не помогает, кран как стучал так и стучит. Может кто-то знает как это исправить ?
1. Изготавливаем и запрессовываем оправку в отверстие Ø185 снизу (относительно чертежа)
2. Зажимаем за данную оправку деталь, и поверхность А, Б и Ø280 протачиваем с одной установки
3. Вместо размера 80 делаем 80,5±0,1 (почему, я писал выше, а также я проверял, именно этот размер на родных немецких кольцах)
4. В процессе сборки подпятника смазать место прилегания опорного подшипника к корпусу