Вопрос - ответ.

Другие портальные краны, общение на тему портальных кранов
Ответить
Аватара пользователя
Валерий
Сообщения: 13
Зарегистрирован: 20 ноя 2017, 09:19

Вопрос - ответ.

Сообщение Валерий »

С портальными кранами связан уже больше 15 лет. Могу ответить на многие вопросы. В пользовании есть огромная база данных по каталогам СЗЧ, чертежам, технологиям ремонта. Спрашивайте - постараюсь ответить.
Алексей КЛПХ
Сообщения: 1
Зарегистрирован: 04 июн 2019, 04:44

Re: Вопрос - ответ.

Сообщение Алексей КЛПХ »

Доброго времени суток!
Нужны электрические принципиальные схемы для башенного крана МКРС-300П. Не могу нигде найти.
Базис
Сообщения: 3
Зарегистрирован: 13 апр 2023, 09:38

Re: Вопрос - ответ.

Сообщение Базис »

Не работает передвижение. Проезжает буквально метр и останавливается. После переключения рубильника та же самая история. Может кто сталкивался с такой проблемой и подскажет куда копать. Заранее большое спасибо..
Rojan Zelenskij
Сообщения: 7
Зарегистрирован: 01 май 2018, 07:36

Re: Вопрос - ответ.

Сообщение Rojan Zelenskij »

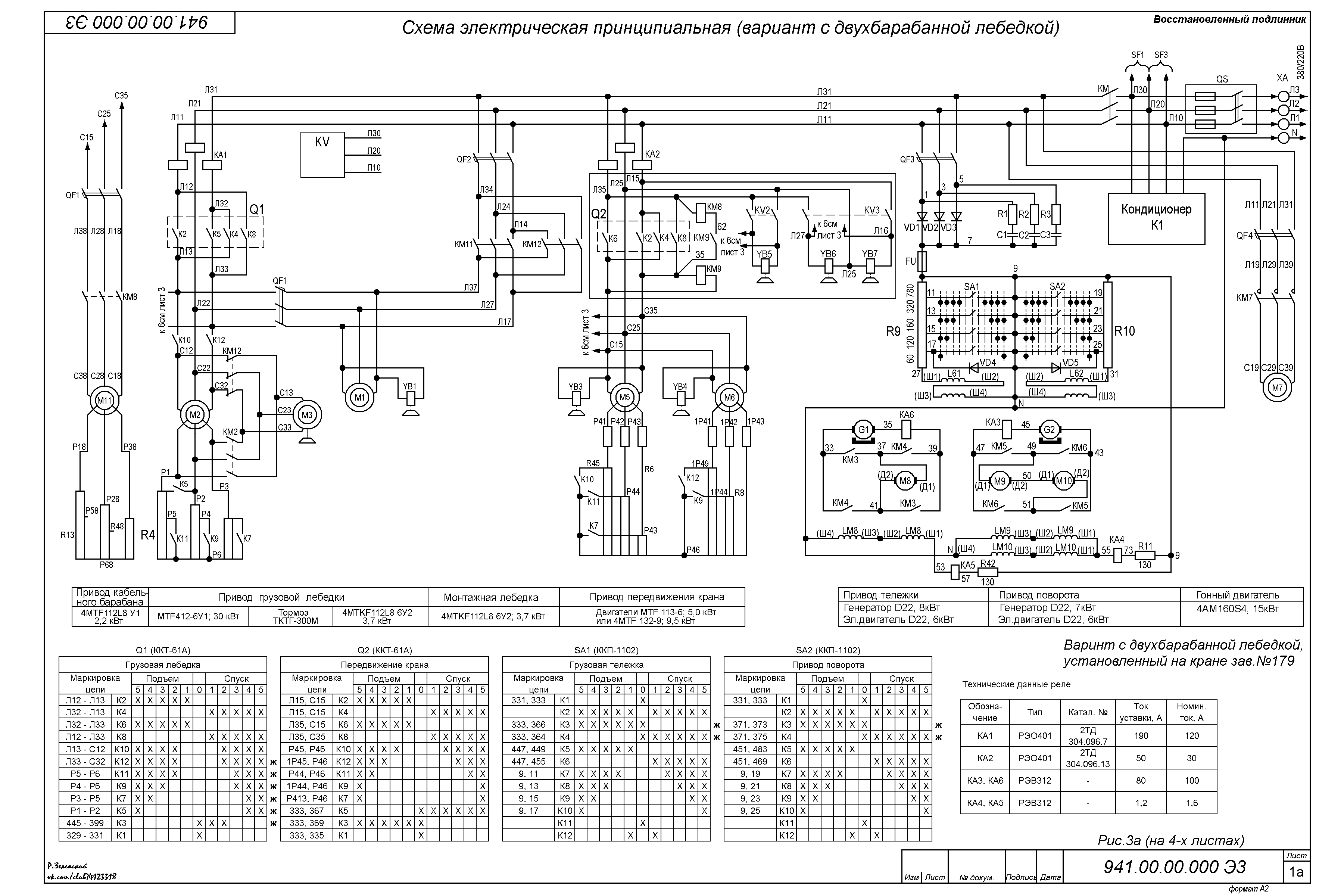
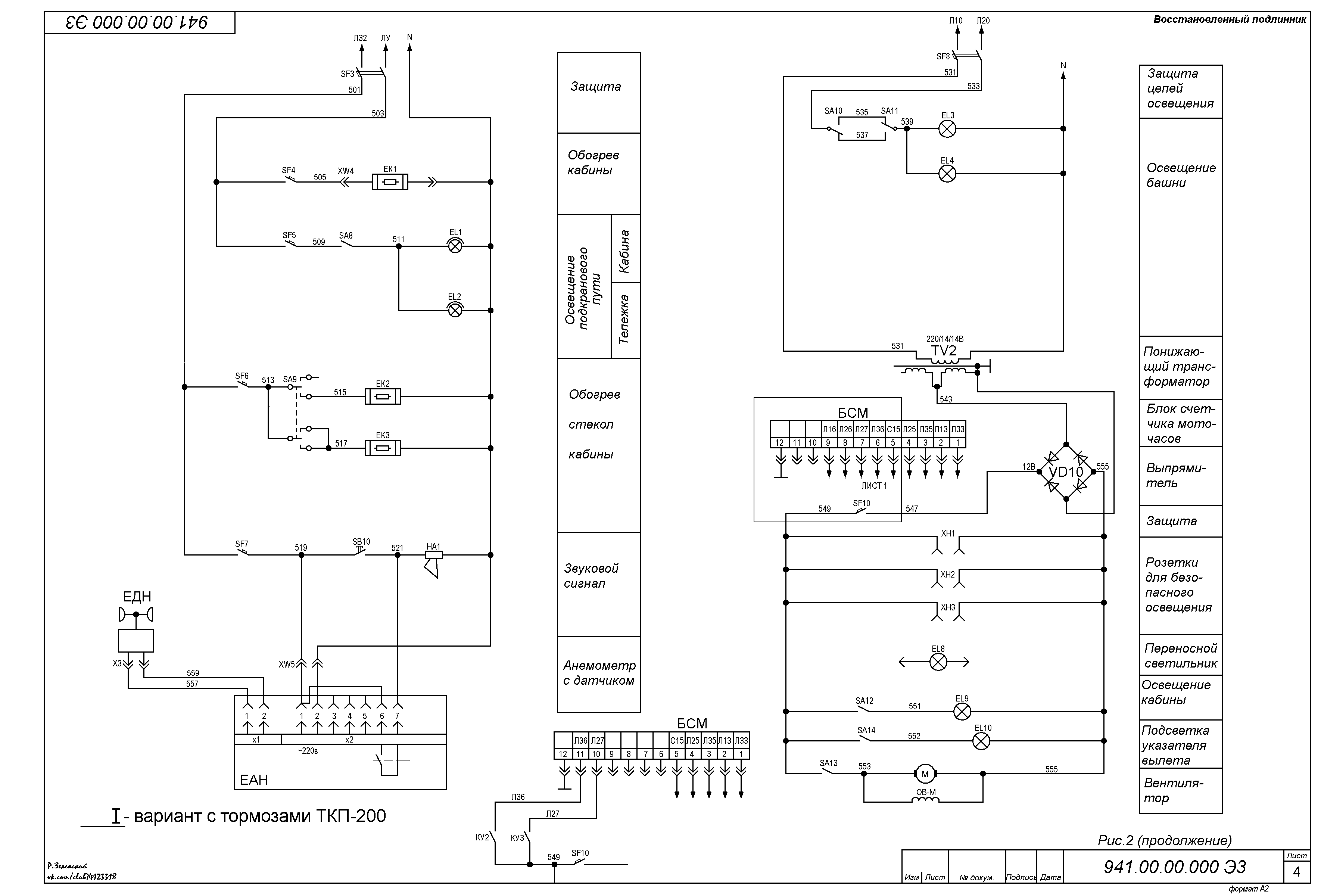
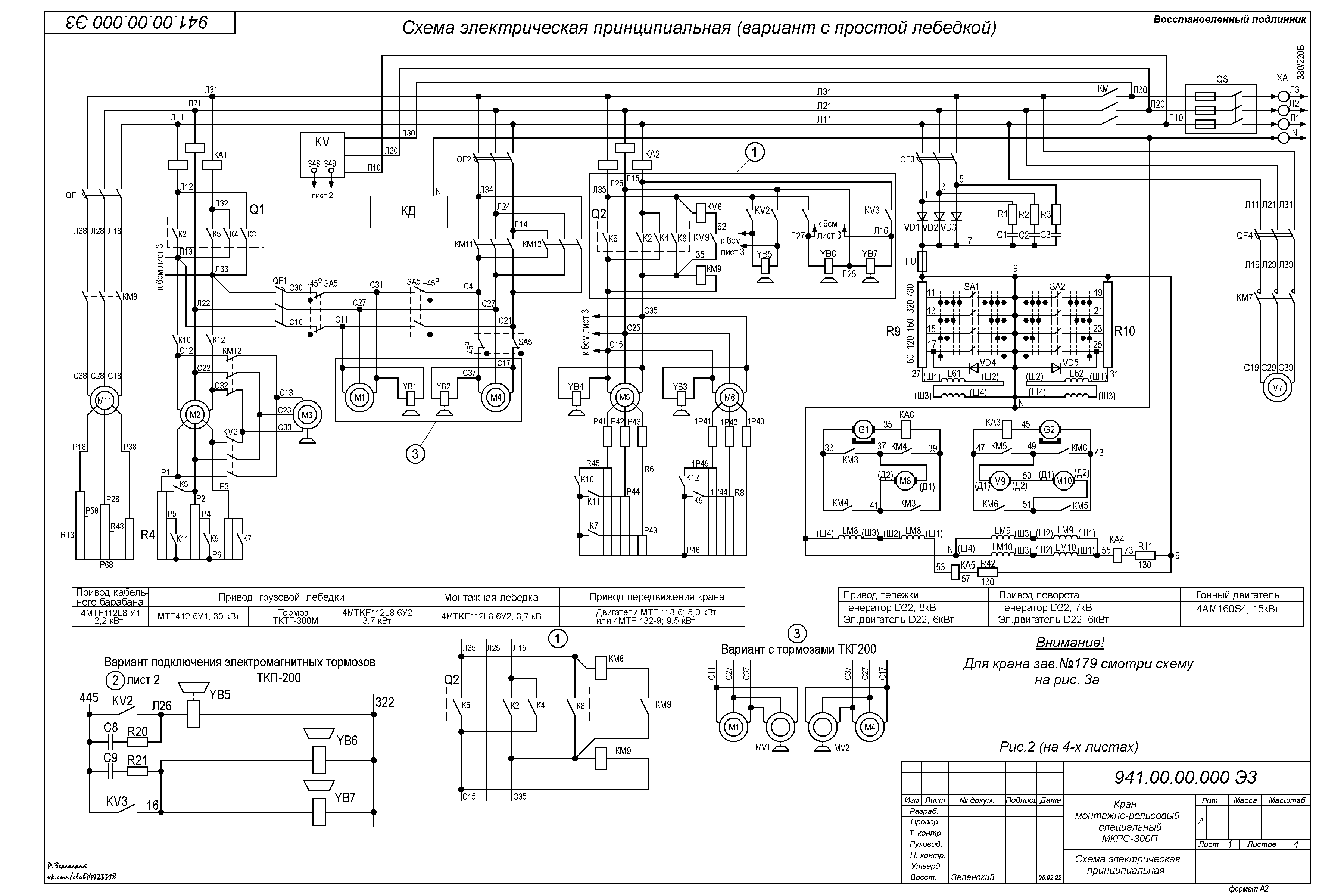
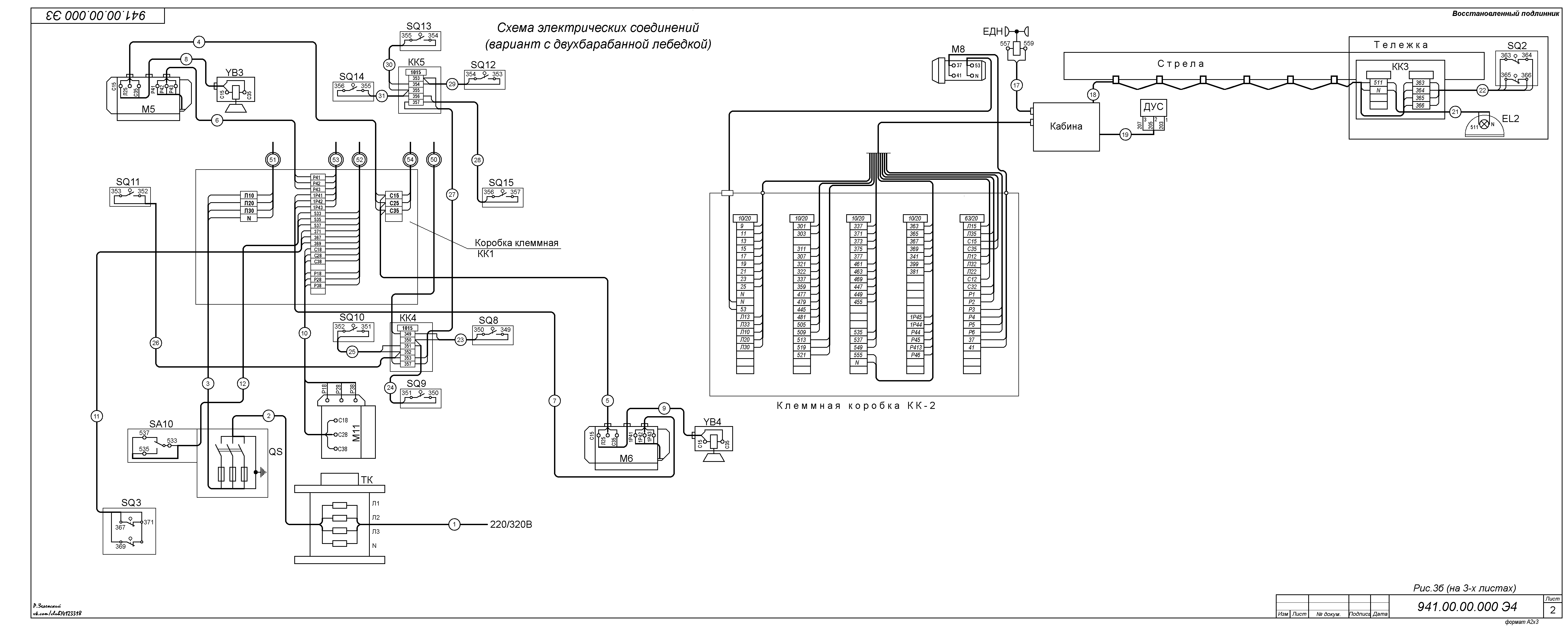
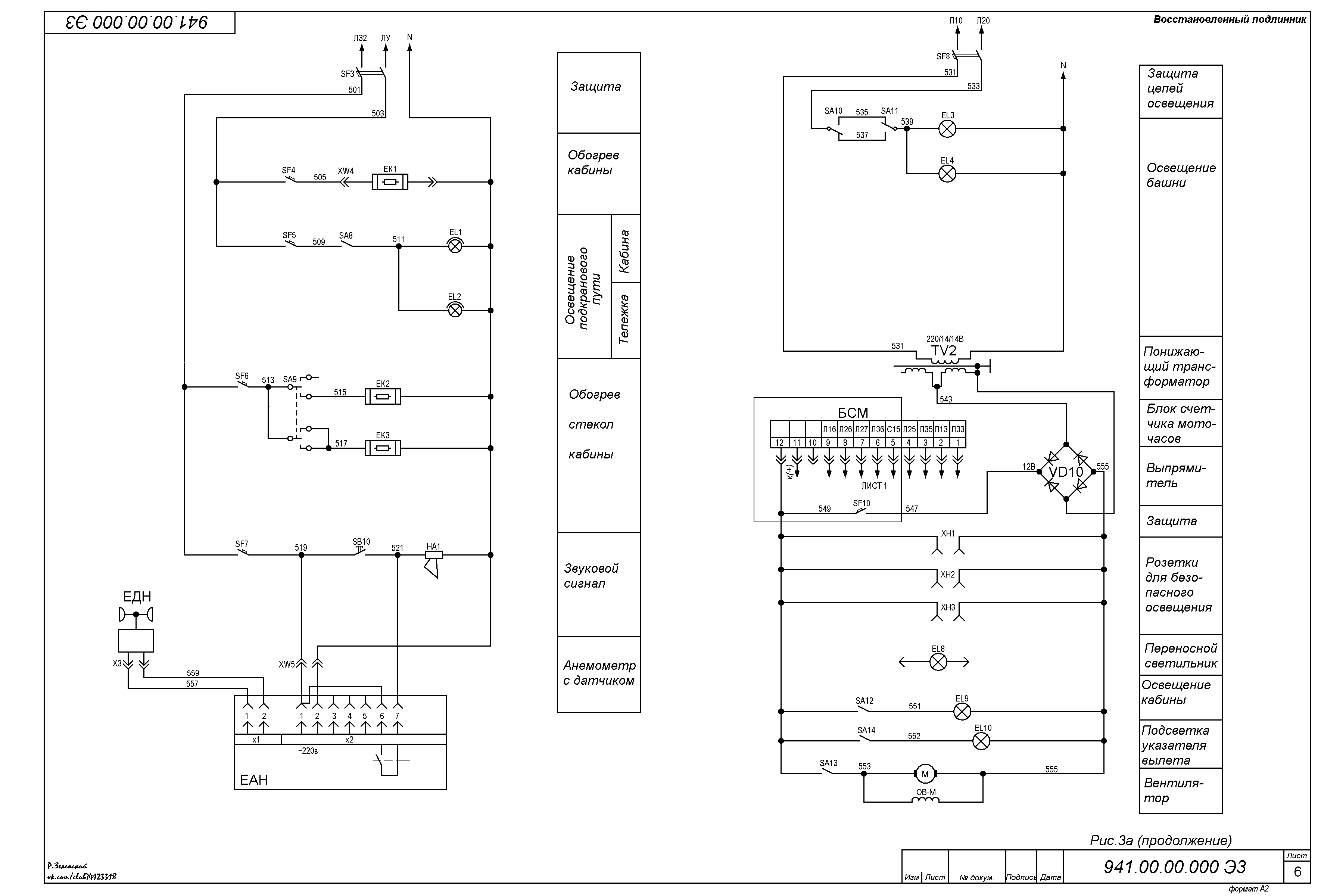
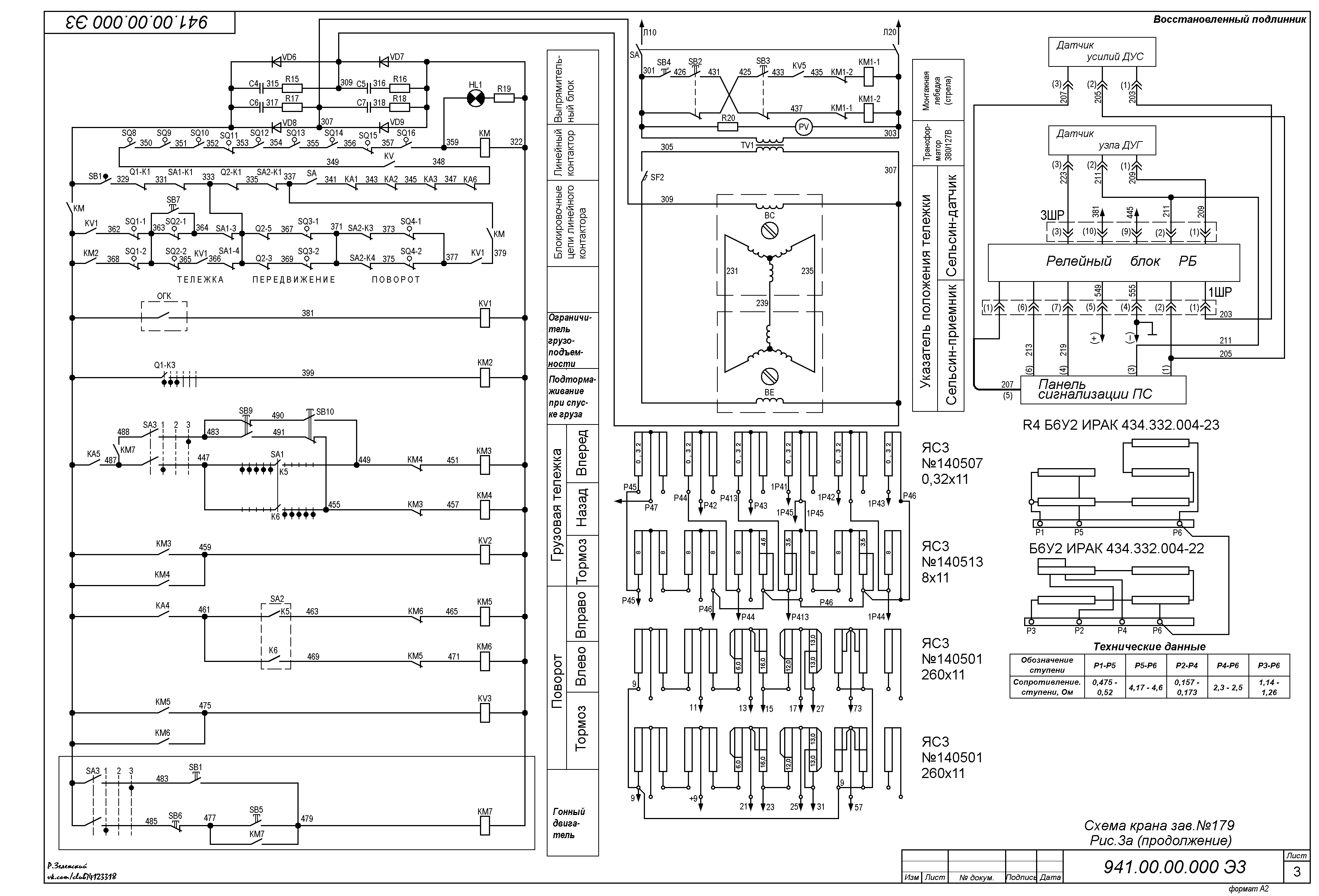
Вот, (наконец-то прислали исходники) восстановленная схема МКРС-300П
Вложения
МКРС-300П Rojan.zip
(592.19 КБ) 2004 скачивания
МКРС-300П Э4_02 чб.PNG
МКРС-300П Э4_01 чб.PNG
МКРС-300П Э3_06 чб.PNG
МКРС-300П Э3_05 чб.PNG
МКРС-300П Э3_04 чб.PNG
МКРС-300П Э3_03 чб.PNG
МКРС-300П Э3_02 чб.PNG
МКРС-300П Э3_01а чб.PNG
МКРС-300П Э3_01 чб.PNG
Phantom_3d
Сообщения: 4
Зарегистрирован: 18 фев 2024, 19:05

Re: Вопрос - ответ.

Сообщение Phantom_3d »

Валерий писал(а): 15 дек 2017, 15:47 С портальными кранами связан уже больше 15 лет. Могу ответить на многие вопросы. В пользовании есть огромная база данных по каталогам СЗЧ, чертежам, технологиям ремонта. Спрашивайте - постараюсь ответить.
приветствую. Интересуют схемы, каталог СЗЧ на Альбрехт 10 тонн 8-32 метра
orairo
Сообщения: 28
Зарегистрирован: 18 мар 2017, 00:53

Re: Вопрос - ответ.

Сообщение orairo »

Phantom_3d писал(а): 18 фев 2024, 19:11 приветствую. Интересуют схемы, каталог СЗЧ на Альбрехт 10 тонн 8-32 метра
Думаю я в архиве мог бы найти. Если интересует что-то конкретное могу отсканировать.
Ответить