Электросхемы кранов

Чертежи, электросхемы, общение...
Ответить
rusloff
Сообщения: 51
Зарегистрирован: 26 май 2017, 20:29

Re: Электросхемы кранов

Сообщение rusloff »

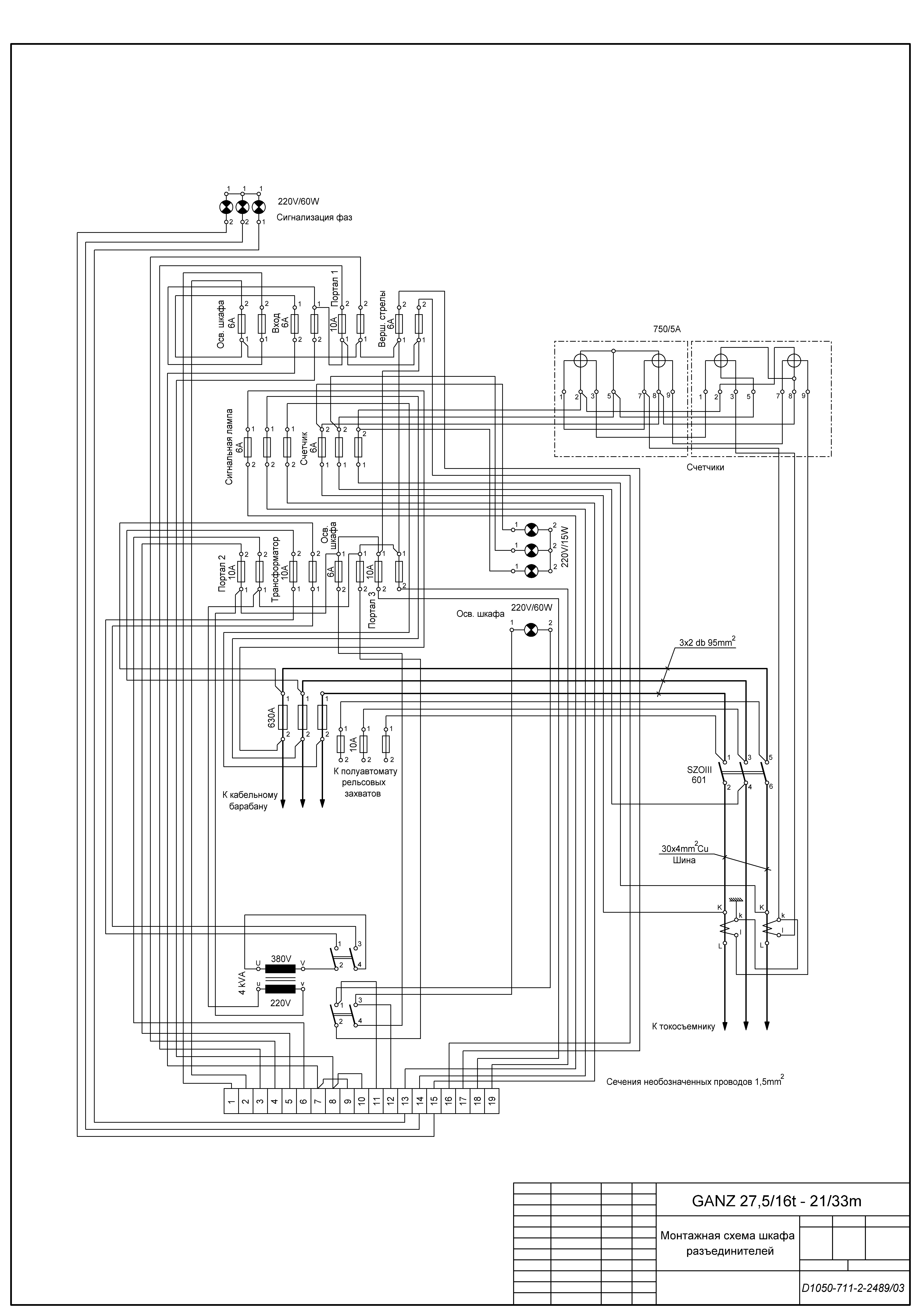
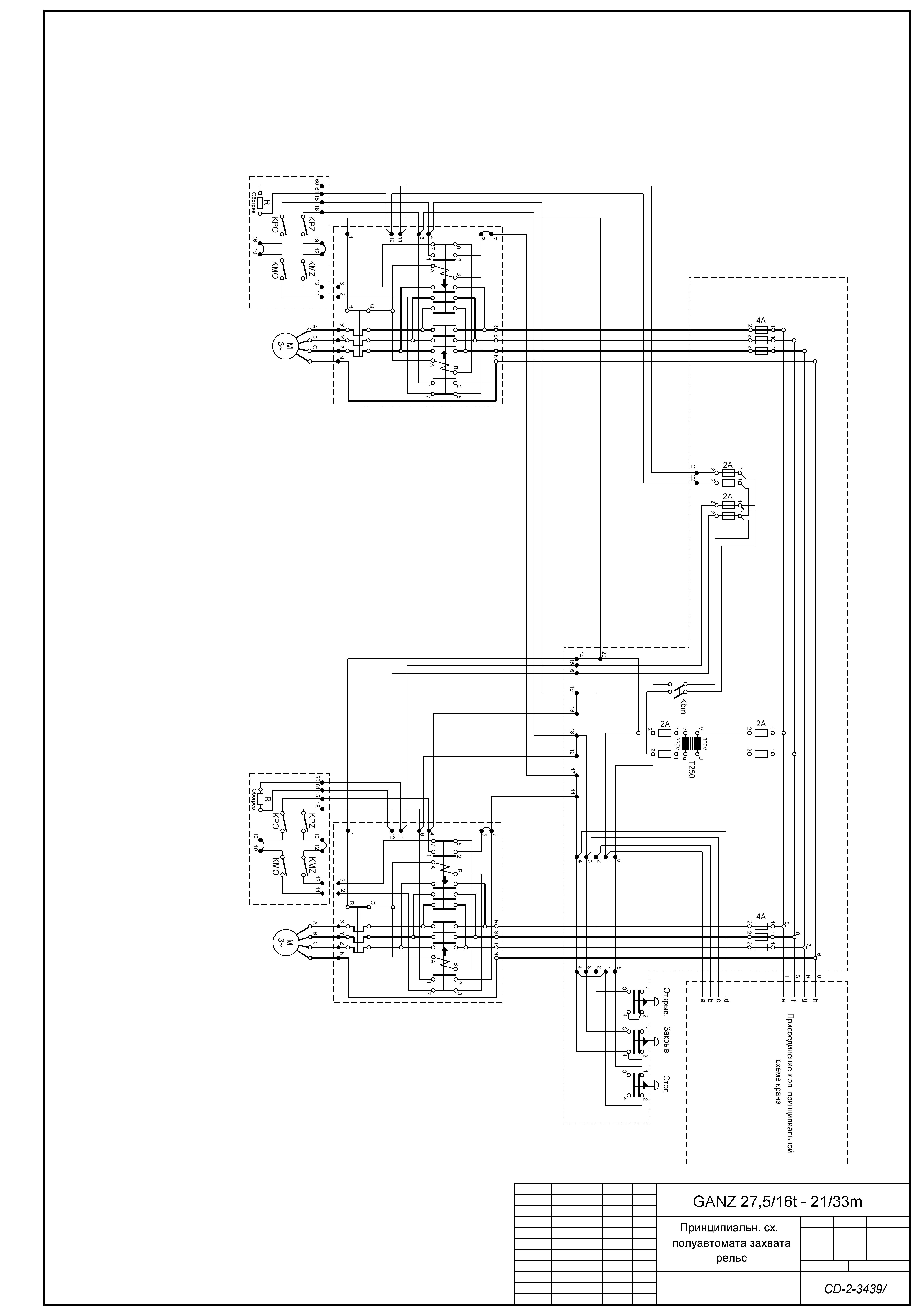
Портальный кран GANZ 27,5/16т - 21/33м.
D1130-719-2-5025.JPG
D1130-715-2-4851.JPG
D1130-715-2-4850.JPG
D1130-715-2-4849.JPG
D1130-715-2-4848.JPG
D1130-713-2-3124.JPG
D1130-712-2-3824.JPG
D1130-703-2-3539.jpg
D1130-701-2-3136.jpg
D1050-711-2-2489-03.JPG
CD-2-6192.JPG
CD-2-6190.JPG
CD-2-3439.JPG
rusloff
Сообщения: 51
Зарегистрирован: 26 май 2017, 20:29

Re: Электросхемы кранов

Сообщение rusloff »

Может кому пригодится.
Переоборудование портального крана Ganz 27,5/16t - 21/33m для монтажных работ. Ленгипроречтранс.
К80.100.00.00.00.Э3.JPG
К80.100.00.00.00.Э4.JPG
К80.100.00.00.00.Э4.1.JPG
К80.100.00.00.00.Э4.2.JPG
К80.100.00.00.00.Э4.3.JPG
rusloff
Сообщения: 51
Зарегистрирован: 26 май 2017, 20:29

Re: Электросхемы кранов

Сообщение rusloff »

Ганц 27,5/16т - 21/33м
Том 1 Технические описания.
Том 2 Инструкция по обслуживанию и уходу.
Том 1.djvu
(34.58 МБ) 2257 скачиваний
Том 2.djvu
(34.48 МБ) 2198 скачиваний
Курдюков
Сообщения: 2
Зарегистрирован: 25 июл 2020, 19:38

Re: Электросхемы кранов

Сообщение Курдюков »

Не открываются самые большие по объёму схемы. Подскажите, как открыть.
serom
Администратор
Сообщения: 18
Зарегистрирован: 18 ноя 2016, 02:09

Re: Электросхемы кранов

Сообщение serom »

Можно чуть подробней?
Каким браузреом пользуетесь, видны ли миниатюры, при нажатии на миниатюру новое окно открывается или нет реакции?
Прверил в Chrome и Edge, проблем нет.
boyareen
Сообщения: 1
Зарегистрирован: 12 янв 2023, 14:38

Re: Электросхемы кранов

Сообщение boyareen »

rusloff писал(а): 01 фев 2020, 20:04 Ганц 27,5/16т - 21/33м
Том 1 Технические описания.
Том 2 Инструкция по обслуживанию и уходу.
Том 1.djvu
Том 2.djvu
Друже, спасибо большое!
Только в 1 томе отсутствует глава 1.01, к сожалению(
Ответить