Ищу схему
-
spiker047777
- Сообщения: 4
- Зарегистрирован: 30 мар 2018, 20:31
Ищу схему
какого года "ганс" год??скиньте схему на 5т/30м "825" мы свой хотим переделать чтобы с пульта внизу работал!!! как козловые краны делают!
-
Rojan Zelenskij
- Сообщения: 7
- Зарегистрирован: 01 май 2018, 07:36
Re: Электросхемы кранов
К сожалению, автор больше не пишет. Если уважаемые участники форума имеют желание, то они могут зайти еще на 2 адреса для получения принципиальных электрических схем. В базе около 180 схем и альбомов электрических схем. Скачивание и использование совершенно бесплатно, необходима только регистрация.
1. "Сервис грузоподъемных механизмов"
http://tcfs.ru/index.php/forum/118-serv ... ehanizmov/
2. Схемы кранов строительных
https://vk.com/club74123318
1. "Сервис грузоподъемных механизмов"
http://tcfs.ru/index.php/forum/118-serv ... ehanizmov/
2. Схемы кранов строительных
https://vk.com/club74123318
Re: Электросхемы кранов
Вот нашел у себя какие-то схемы, вроде от 5-тонника. Для просмотра скачайте где-нибудь программу S-Plan 7.
https://yadi.sk/d/FsWVyF_i3VABpv
Если возможно, предоставьте хотя бы фотки схем, которые вы нашли, может кому-нибудь пригодятся.
https://yadi.sk/d/FsWVyF_i3VABpv
Если возможно, предоставьте хотя бы фотки схем, которые вы нашли, может кому-нибудь пригодятся.
-
Rojan Zelenskij
- Сообщения: 7
- Зарегистрирован: 01 май 2018, 07:36
Re: Электросхемы кранов
В смысле "нашли"?! Эти схемы восстановлены и очищены для использования наладчиками через мобильные устройства. Эти схемы чищу только я, к сожалению. С программой SPlan не работаю в принципе (и не собираюсь начинать), рисую Paint.
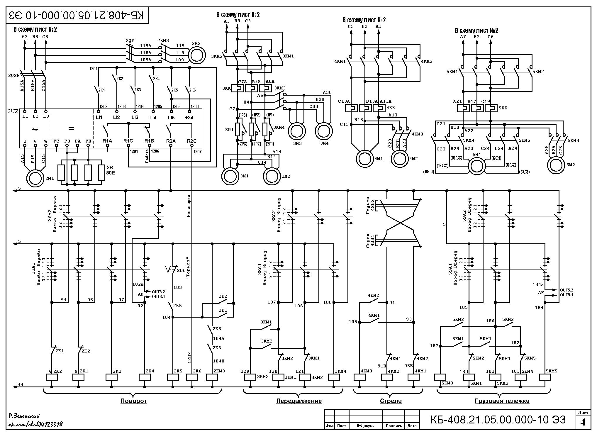
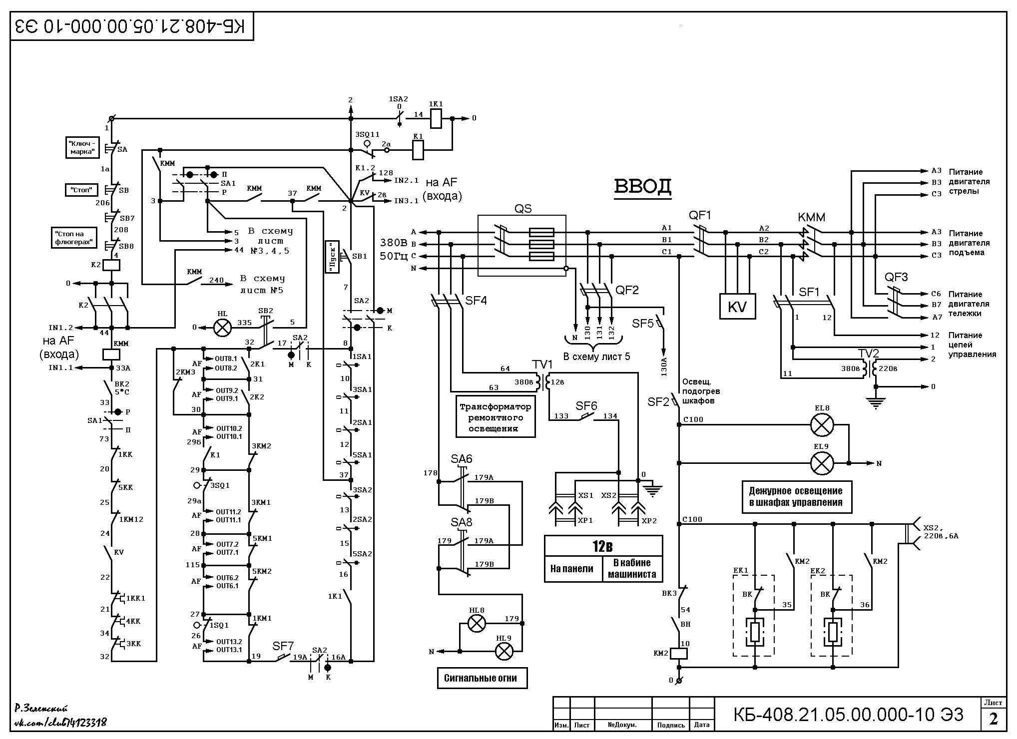
Вот, к примеру, альбом КБ-408.21.05-10
Вот, к примеру, альбом КБ-408.21.05-10
Последний раз редактировалось Rojan Zelenskij 29 апр 2023, 05:24, всего редактировалось 2 раза.
-
Rojan Zelenskij
- Сообщения: 7
- Зарегистрирован: 01 май 2018, 07:36
Re: Электросхемы кранов
Каталог наших схем на портале TCFS
http://tcfs.ru/index.php/forum/118-serv ... ehanizmov/:
1. ATV-71, педаль тормоза____стр.1, пост #1
2. ATV-312___________________стр.1, пост #1
3. COMANSA 10LC______________стр.12, посты #231, 232, 233
4. FO/23B (S145F10)__________стр.11, пост #217
5. Grove RT-540E_____________стр.29, пост #569 (PDF)
6. JASO J110N (Испания)______стр.28, пост #541
7. LIEBHERR 022k32___________стр.1, пост #1
8. LIEBHERR 040k_____________стр.1, пост #1
9. то же самое, картинки_____стр.9, пост #173
10. LIEBHERR 063 LS___________стр.1, пост #1
11. LIEBHERR 90 LD____________стр.1, пост #1
12. LIEBHERR 112EC-H__________стр.25, пост #491
13. LIEBHERR 120HC-185 61kW___стр.1, пост #1
14. то же самое_______________стр.12, пост #235
15. LIEBHERR 132 ES-H_________стр.25, пост #490
16. LIEBHERR 154 EC-HM6 ПС____стр.1, пост #1
17. то же, исходник___________стр.10, пост #183
18. LIEBHERR 160k_____________стр.1, пост #1
19. LIEBHERR 240EC-H__________стр.25, пост #491
20. Peiner-MK220/220.007.2____стр.26, пост #519
21. PLS Altivar 71____________стр.2, пост #26
22. Potain-FO23B______________стр.11, пост #208
23. Potain-MC-235 B___________стр.1, пост #1
24. Potain-MD-265 J10_________стр.1, пост #1
25. QTZ80_____________________стр.9, пост #178
26. QTZ-80 (TC-5512)__________стр.11, пост #201
27. QTZ-100___________________стр.13, пост #252
28. QTZ-125___________________стр.14, пост #262
29. QTZ-125, Dongjian_________стр.31, пост #601
30. QTZ-125 (6015)____________стр.27, пост #537
31. QTZ-125B__________________стр.24, пост #464
32. QTZ-160 (TC6020)__________стр.11, пост #213
33. QTZ-250___________________стр.9, пост #178
34. QTZ-250___________________стр.10, пост #181
35. S100G6____________________стр.11, пост #218
36. S110T (R5416)_____________стр.12, пост #221
37. S110TG8 (R5416)___________стр.11, пост #218
38. S250K12 (K30_30)__________стр.11, пост #218
39. SAEZ-50TL_________________стр.5, посты #94 и #95
40. ST56/13, YongMao__________стр.18, пост #356
41. TDK-8.180_________________стр.23, пост #458
42. TDKP-12,5.440.24__________стр.14, пост #279
43. то же самое_______________стр.1, пост #1
44. Wolfkran 70-160SL_________стр.5, пост #97
45. диск ОНК-160______________стр.4, пост #68
46. Башенные краны____________стр.26, пост #521
47. БКСМ-5-7__________________стр.3, пост #58
48. БК-1000-Б_________________стр.28, пост #557
49. блок хода БТК-63__________стр.18, пост #363
50. Генератор 3SBE255-4_______стр.1, пост #1
51. ДЭК-401___________________стр.1, пост #1
52. ДЭК-251___________________стр.18, пост #349
53. К-05-60___________________стр.25, пост #494
54. К-161_____________________стр.26, пост #505
55. КБ-100.3А_________________стр.5, пост #84
56. КБ-271.00, исходники______стр.28, пост #552
57. КБ-308.00_________________стр.4, пост #72
58. то же самое_______________стр.11, пост #212
59. КБ-308А___________________стр.11, пост #211
60. КБ-308Б___________________не готов
61. КБ-309ХЛ__________________стр.1, пост #1
62. КБ-314.12-00______________стр.1, пост #16
63. то же самое, чистая схема_стр.1, пост #1
64. то же самое, чистая схема_стр.6, пост #118
65. КБ-401Б исх.______________стр.9, пост #179
66. КБ-402Б_40________________стр.4, пост #70
67. КБ-403а.00________________стр.4, пост #66
68. КБ-403б.00________________стр.4, пост #65
69. КБ-403б.00, полный________стр.31, пост #607 (JPG)
70. инструкции КБ-403_________стр.13, пост #242
71. КБ-403Б.05-01_____________стр.30, пост #598
72. КБ-403Б.05-03_____________стр.4, пост #63
73. то же самое_______________стр.1, пост #1
74. КБ-403Б.05-03, полный_____стр.31, пост #606 (JPG)
75. КБ-403Б.05-09 + Atv71_____стр.1, пост #1
76. КБ-404.4__________________стр.19, пост #366
77. КБ-405-1а00_______________стр.4, пост #61
78. КБ-405-1А05_______________стр.3, пост #60
79. КБ-406РКС_________________стр.3, пост #59
80. КБ-408.00.00______________стр.3, пост #57
81. КБ-408.04 (АК)____________стр.3, пост #44
82. КБ-408.05-01______________стр.30, пост #597 (JPG)
83. КБ-408.12.66______________стр.25, пост #492
84. КБ-408.21.05-05___________стр.25, пост #493
85. КБ-408.21.05-05 исх. А____стр.1, пост #1
86. КБ-408.21.05-05 исх. Б____стр.1, пост #1
87. КБ-408.21.05-07___________стр.3, пост #48
88. ПУ РСТ-05 для ..-07_______стр.27, пост #536
89. КБ-408.21.05-10___________стр.3, пост #42
90. КБ-411ПС__________________стр.23, пост #448
91. КБ-415____________________стр.10, пост #191
92. КБ-473, исходники_________стр.3, пост #41
93. КБ-473, чистый____________стр.1, пост #1
94. КБ-474____________________стр.7, пост #123
95. КБ-474А с ATV71 и PLC_____стр.14, пост #270
96. КБ-474А, 2013г____________стр.24, пост #466
97. КБ-474А, динамо___________стр.27, пост #527
98. КБ-503Б.14________________стр.2, пост #39
99. то же самое_______________стр.1, пост #1
100. КБ-504.14.00______________стр.2, пост #37
101. то же самое_______________стр.12, пост #230
102. КБ-515____________________стр.2, пост #24
103. КБ-572А___________________стр.2, пост #22
104. то же самое_______________стр.11, пост #209
105. то же самое_______________стр.17, пост #325
106. КБ-572Б___________________стр.8, пост #142
107. то же самое_______________стр.17, пост #326
108. КБ-572А-Э3_вар.01_________стр.1, пост #1
109. КБ-572А-Э3_вар.02_________стр.1, пост #1
110. КБ-572Б_ОНК160____________стр.17, пост #326
111. КБ-572_оригинал___________стр.1, пост #20
112. КБ-586А (TDK-10.215 NTK)__стр.10, посты #188, 189
113. КБ-586П___________________стр.10, пост #186, 187, 189
114. КБ-586.64.00______________стр.23, пост #447
115. КБ-603.05-03______________стр.25, пост #495
116. КБ-674____________________стр.1, пост #18
117. то же самое_______________стр.11, пост #202
118. КБ-674_ТПЕ________________стр.9, пост #162
119. то же самое_______________стр.11, пост #202
120. КБК-160___________________стр.1, пост #17
121. КБМ-401П.00_______________стр.25, пост #496
122. КБМ-401ПА.05______________стр.11, пост #203
123. КБМ-401ПА.05 исх._________стр.7, пост #128
124. КК-12,5-32________________стр.29, пост #577 (JPG)
125. КК-16-20__________________стр.1, пост #10
126. ККС-10____________________стр.1, пост #9
127. КМ-24-10, мостовой________стр.26, пост #504
128. КОНТРОЛЛЕРЫ ККТ___________стр.1, пост #1
129. КПЛ-16-30, плавучий_______стр.1, пост #1
130. КР-308Д___________________стр.8, пост #141
131. то же самое_______________стр.1, пост #1
132. КС-2561Н РЭ_______________стр.1, пост #1
133. КС-35714К РЭ______________стр.1, пост #1
134. КС-35719-3 РЭ_____________стр.1, пост #1
135. КС-4561А__________________стр.26, пост #506
136. КС-4562___________________стр.7, пост #124
137. то же самое_______________стр.1, пост #1
138. КС-45717К-3Р РЭ___________стр.1, пост #1
139. КС-45719 РЭ_______________стр.1, пост #1
140. КС-45721__________________стр.1, пост #7
141. КС-5363___________________стр.1, пост #1
142. КС-5363, генератор________стр.27, пост #529
143. КС-5363-Э3 А, Б, Д, Е_____стр.27, пост #521
144. КС-5363-Э3 В______________стр.27, пост #534
145. КС-5363, описание_________стр.1, пост #1
146. КС-5363-РЭ А и Б__________стр.26, пост #512
147. КС-5363-А,Д, работа схемы_стр.27, пост #521
148. КС-5366___________________стр.24, пост #463
149. КС-55713-5 РЭ_____________стр.1, пост #1
150. КС-55717Б РЭ______________стр.1, пост #1
151. КС-55729-1v РЭ____________стр.1, пост #1
152. КС-55735-1 РЭ_____________стр.1, пост #1
153. КС-5576Б РЭ_______________стр.1, пост #1
154. КС-6471 РЭ________________стр.1, пост #1
155. КС-6478 РЭ________________стр.1, пост #1
156. КС-8561 (исх)_____________стр.31, пост #619 (JPG)
157. МКГ-25.01, монтаж_________стр.30, пост #596 (JPG)
158. МКГ-25БР__________________стр.29, пост #576 (PDF)
159. МКГ-40____________________стр.30, пост #591 (PDF)
160. МКРС-300П_________________стр.13, пост #253
161. МТТ-16, оригинал__________стр.18, пост #341
162. МТТ-16, в другом виде_____стр.18, пост #342
163. ОГМ240-30_________________стр.1, пост #3
164. ОГМ240-30.10______________стр.1, пост #3
165. ОГМ240-31.10______________стр.1, пост #3
166. ОГМ240-40_________________стр.1, пост #1
167. ОГП-1Б, паспорт___________стр.8, пост #147
168. ОНК-140, ремонт___________стр.29, пост #570 (PDF)
169. ОНК-160Б, ремонт__________стр.1, пост #1
170. ОНК-160Б, паспорт_________стр.1, пост #1
171. ОНК-М, паспорт____________стр.8, пост #145
172. ОГК, паспорт______________стр.8, пост #146
173. ОГК, паспорт______________стр.8, пост #146
174. ОСТ 24.090.85-88__________стр.27, пост #522
175. ПС-121.22, автомобильный__стр.18, пост #351
176. ПС-131.18Э, автомобильный_стр.18, пост #352
177. РДК-250-2_________________стр.1, пост #2
178. РДК-25-1__________________стр.25, пост #497
179. РДК-25-1 РЭ_______________стр.26, пост #512
180. СКГ-401 (исх)_____________стр.32, пост #625 (JPG)
181. частотники________________стр.14, пост #280
http://tcfs.ru/index.php/forum/118-serv ... ehanizmov/:
1. ATV-71, педаль тормоза____стр.1, пост #1
2. ATV-312___________________стр.1, пост #1
3. COMANSA 10LC______________стр.12, посты #231, 232, 233
4. FO/23B (S145F10)__________стр.11, пост #217
5. Grove RT-540E_____________стр.29, пост #569 (PDF)
6. JASO J110N (Испания)______стр.28, пост #541
7. LIEBHERR 022k32___________стр.1, пост #1
8. LIEBHERR 040k_____________стр.1, пост #1
9. то же самое, картинки_____стр.9, пост #173
10. LIEBHERR 063 LS___________стр.1, пост #1
11. LIEBHERR 90 LD____________стр.1, пост #1
12. LIEBHERR 112EC-H__________стр.25, пост #491
13. LIEBHERR 120HC-185 61kW___стр.1, пост #1
14. то же самое_______________стр.12, пост #235
15. LIEBHERR 132 ES-H_________стр.25, пост #490
16. LIEBHERR 154 EC-HM6 ПС____стр.1, пост #1
17. то же, исходник___________стр.10, пост #183
18. LIEBHERR 160k_____________стр.1, пост #1
19. LIEBHERR 240EC-H__________стр.25, пост #491
20. Peiner-MK220/220.007.2____стр.26, пост #519
21. PLS Altivar 71____________стр.2, пост #26
22. Potain-FO23B______________стр.11, пост #208
23. Potain-MC-235 B___________стр.1, пост #1
24. Potain-MD-265 J10_________стр.1, пост #1
25. QTZ80_____________________стр.9, пост #178
26. QTZ-80 (TC-5512)__________стр.11, пост #201
27. QTZ-100___________________стр.13, пост #252
28. QTZ-125___________________стр.14, пост #262
29. QTZ-125, Dongjian_________стр.31, пост #601
30. QTZ-125 (6015)____________стр.27, пост #537
31. QTZ-125B__________________стр.24, пост #464
32. QTZ-160 (TC6020)__________стр.11, пост #213
33. QTZ-250___________________стр.9, пост #178
34. QTZ-250___________________стр.10, пост #181
35. S100G6____________________стр.11, пост #218
36. S110T (R5416)_____________стр.12, пост #221
37. S110TG8 (R5416)___________стр.11, пост #218
38. S250K12 (K30_30)__________стр.11, пост #218
39. SAEZ-50TL_________________стр.5, посты #94 и #95
40. ST56/13, YongMao__________стр.18, пост #356
41. TDK-8.180_________________стр.23, пост #458
42. TDKP-12,5.440.24__________стр.14, пост #279
43. то же самое_______________стр.1, пост #1
44. Wolfkran 70-160SL_________стр.5, пост #97
45. диск ОНК-160______________стр.4, пост #68
46. Башенные краны____________стр.26, пост #521
47. БКСМ-5-7__________________стр.3, пост #58
48. БК-1000-Б_________________стр.28, пост #557
49. блок хода БТК-63__________стр.18, пост #363
50. Генератор 3SBE255-4_______стр.1, пост #1
51. ДЭК-401___________________стр.1, пост #1
52. ДЭК-251___________________стр.18, пост #349
53. К-05-60___________________стр.25, пост #494
54. К-161_____________________стр.26, пост #505
55. КБ-100.3А_________________стр.5, пост #84
56. КБ-271.00, исходники______стр.28, пост #552
57. КБ-308.00_________________стр.4, пост #72
58. то же самое_______________стр.11, пост #212
59. КБ-308А___________________стр.11, пост #211
60. КБ-308Б___________________не готов
61. КБ-309ХЛ__________________стр.1, пост #1
62. КБ-314.12-00______________стр.1, пост #16
63. то же самое, чистая схема_стр.1, пост #1
64. то же самое, чистая схема_стр.6, пост #118
65. КБ-401Б исх.______________стр.9, пост #179
66. КБ-402Б_40________________стр.4, пост #70
67. КБ-403а.00________________стр.4, пост #66
68. КБ-403б.00________________стр.4, пост #65
69. КБ-403б.00, полный________стр.31, пост #607 (JPG)
70. инструкции КБ-403_________стр.13, пост #242
71. КБ-403Б.05-01_____________стр.30, пост #598
72. КБ-403Б.05-03_____________стр.4, пост #63
73. то же самое_______________стр.1, пост #1
74. КБ-403Б.05-03, полный_____стр.31, пост #606 (JPG)
75. КБ-403Б.05-09 + Atv71_____стр.1, пост #1
76. КБ-404.4__________________стр.19, пост #366
77. КБ-405-1а00_______________стр.4, пост #61
78. КБ-405-1А05_______________стр.3, пост #60
79. КБ-406РКС_________________стр.3, пост #59
80. КБ-408.00.00______________стр.3, пост #57
81. КБ-408.04 (АК)____________стр.3, пост #44
82. КБ-408.05-01______________стр.30, пост #597 (JPG)
83. КБ-408.12.66______________стр.25, пост #492
84. КБ-408.21.05-05___________стр.25, пост #493
85. КБ-408.21.05-05 исх. А____стр.1, пост #1
86. КБ-408.21.05-05 исх. Б____стр.1, пост #1
87. КБ-408.21.05-07___________стр.3, пост #48
88. ПУ РСТ-05 для ..-07_______стр.27, пост #536
89. КБ-408.21.05-10___________стр.3, пост #42
90. КБ-411ПС__________________стр.23, пост #448
91. КБ-415____________________стр.10, пост #191
92. КБ-473, исходники_________стр.3, пост #41
93. КБ-473, чистый____________стр.1, пост #1
94. КБ-474____________________стр.7, пост #123
95. КБ-474А с ATV71 и PLC_____стр.14, пост #270
96. КБ-474А, 2013г____________стр.24, пост #466
97. КБ-474А, динамо___________стр.27, пост #527
98. КБ-503Б.14________________стр.2, пост #39
99. то же самое_______________стр.1, пост #1
100. КБ-504.14.00______________стр.2, пост #37
101. то же самое_______________стр.12, пост #230
102. КБ-515____________________стр.2, пост #24
103. КБ-572А___________________стр.2, пост #22
104. то же самое_______________стр.11, пост #209
105. то же самое_______________стр.17, пост #325
106. КБ-572Б___________________стр.8, пост #142
107. то же самое_______________стр.17, пост #326
108. КБ-572А-Э3_вар.01_________стр.1, пост #1
109. КБ-572А-Э3_вар.02_________стр.1, пост #1
110. КБ-572Б_ОНК160____________стр.17, пост #326
111. КБ-572_оригинал___________стр.1, пост #20
112. КБ-586А (TDK-10.215 NTK)__стр.10, посты #188, 189
113. КБ-586П___________________стр.10, пост #186, 187, 189
114. КБ-586.64.00______________стр.23, пост #447
115. КБ-603.05-03______________стр.25, пост #495
116. КБ-674____________________стр.1, пост #18
117. то же самое_______________стр.11, пост #202
118. КБ-674_ТПЕ________________стр.9, пост #162
119. то же самое_______________стр.11, пост #202
120. КБК-160___________________стр.1, пост #17
121. КБМ-401П.00_______________стр.25, пост #496
122. КБМ-401ПА.05______________стр.11, пост #203
123. КБМ-401ПА.05 исх._________стр.7, пост #128
124. КК-12,5-32________________стр.29, пост #577 (JPG)
125. КК-16-20__________________стр.1, пост #10
126. ККС-10____________________стр.1, пост #9
127. КМ-24-10, мостовой________стр.26, пост #504
128. КОНТРОЛЛЕРЫ ККТ___________стр.1, пост #1
129. КПЛ-16-30, плавучий_______стр.1, пост #1
130. КР-308Д___________________стр.8, пост #141
131. то же самое_______________стр.1, пост #1
132. КС-2561Н РЭ_______________стр.1, пост #1
133. КС-35714К РЭ______________стр.1, пост #1
134. КС-35719-3 РЭ_____________стр.1, пост #1
135. КС-4561А__________________стр.26, пост #506
136. КС-4562___________________стр.7, пост #124
137. то же самое_______________стр.1, пост #1
138. КС-45717К-3Р РЭ___________стр.1, пост #1
139. КС-45719 РЭ_______________стр.1, пост #1
140. КС-45721__________________стр.1, пост #7
141. КС-5363___________________стр.1, пост #1
142. КС-5363, генератор________стр.27, пост #529
143. КС-5363-Э3 А, Б, Д, Е_____стр.27, пост #521
144. КС-5363-Э3 В______________стр.27, пост #534
145. КС-5363, описание_________стр.1, пост #1
146. КС-5363-РЭ А и Б__________стр.26, пост #512
147. КС-5363-А,Д, работа схемы_стр.27, пост #521
148. КС-5366___________________стр.24, пост #463
149. КС-55713-5 РЭ_____________стр.1, пост #1
150. КС-55717Б РЭ______________стр.1, пост #1
151. КС-55729-1v РЭ____________стр.1, пост #1
152. КС-55735-1 РЭ_____________стр.1, пост #1
153. КС-5576Б РЭ_______________стр.1, пост #1
154. КС-6471 РЭ________________стр.1, пост #1
155. КС-6478 РЭ________________стр.1, пост #1
156. КС-8561 (исх)_____________стр.31, пост #619 (JPG)
157. МКГ-25.01, монтаж_________стр.30, пост #596 (JPG)
158. МКГ-25БР__________________стр.29, пост #576 (PDF)
159. МКГ-40____________________стр.30, пост #591 (PDF)
160. МКРС-300П_________________стр.13, пост #253
161. МТТ-16, оригинал__________стр.18, пост #341
162. МТТ-16, в другом виде_____стр.18, пост #342
163. ОГМ240-30_________________стр.1, пост #3
164. ОГМ240-30.10______________стр.1, пост #3
165. ОГМ240-31.10______________стр.1, пост #3
166. ОГМ240-40_________________стр.1, пост #1
167. ОГП-1Б, паспорт___________стр.8, пост #147
168. ОНК-140, ремонт___________стр.29, пост #570 (PDF)
169. ОНК-160Б, ремонт__________стр.1, пост #1
170. ОНК-160Б, паспорт_________стр.1, пост #1
171. ОНК-М, паспорт____________стр.8, пост #145
172. ОГК, паспорт______________стр.8, пост #146
173. ОГК, паспорт______________стр.8, пост #146
174. ОСТ 24.090.85-88__________стр.27, пост #522
175. ПС-121.22, автомобильный__стр.18, пост #351
176. ПС-131.18Э, автомобильный_стр.18, пост #352
177. РДК-250-2_________________стр.1, пост #2
178. РДК-25-1__________________стр.25, пост #497
179. РДК-25-1 РЭ_______________стр.26, пост #512
180. СКГ-401 (исх)_____________стр.32, пост #625 (JPG)
181. частотники________________стр.14, пост #280
Re: Электросхемы кранов
Вообще то spiker047777 искал схемы на портальный кран, а в вашем списке я портальных не увидел, только башенные КБ или гусеничные РДК.
В splane можно экспортировать чертежи в формат jpeg.
В splane можно экспортировать чертежи в формат jpeg.
-
Rojan Zelenskij
- Сообщения: 7
- Зарегистрирован: 01 май 2018, 07:36
Re: Электросхемы кранов
к вопросу, что нет портальных - да, пока нет, не присылали исходников для восстановления.
Но на нашем портале движение более оживленное.
Товарищу spiker047777 надо схемы? Он может спросить об этом на TCFS.
Вот когда негде искать - самое печальное. А в тесноте, да не в обиде!
И еще мне кажется, до этого, в таком объеме и качестве ничего вообще не выкладывалось, как Вы думаете?
PS: Сплан я смотрел, не понравился. Я набивал базы деталей 18 лет, в сплан они не конвертируются или криво.
И, кроме того, при восстановлении схем из замученных сканов или фото, более удобен (для меня) Paint.
С уважением Рохан Зеленский, Новосибирск.
-
Rojan Zelenskij
- Сообщения: 7
- Зарегистрирован: 01 май 2018, 07:36
Re: Электросхемы кранов
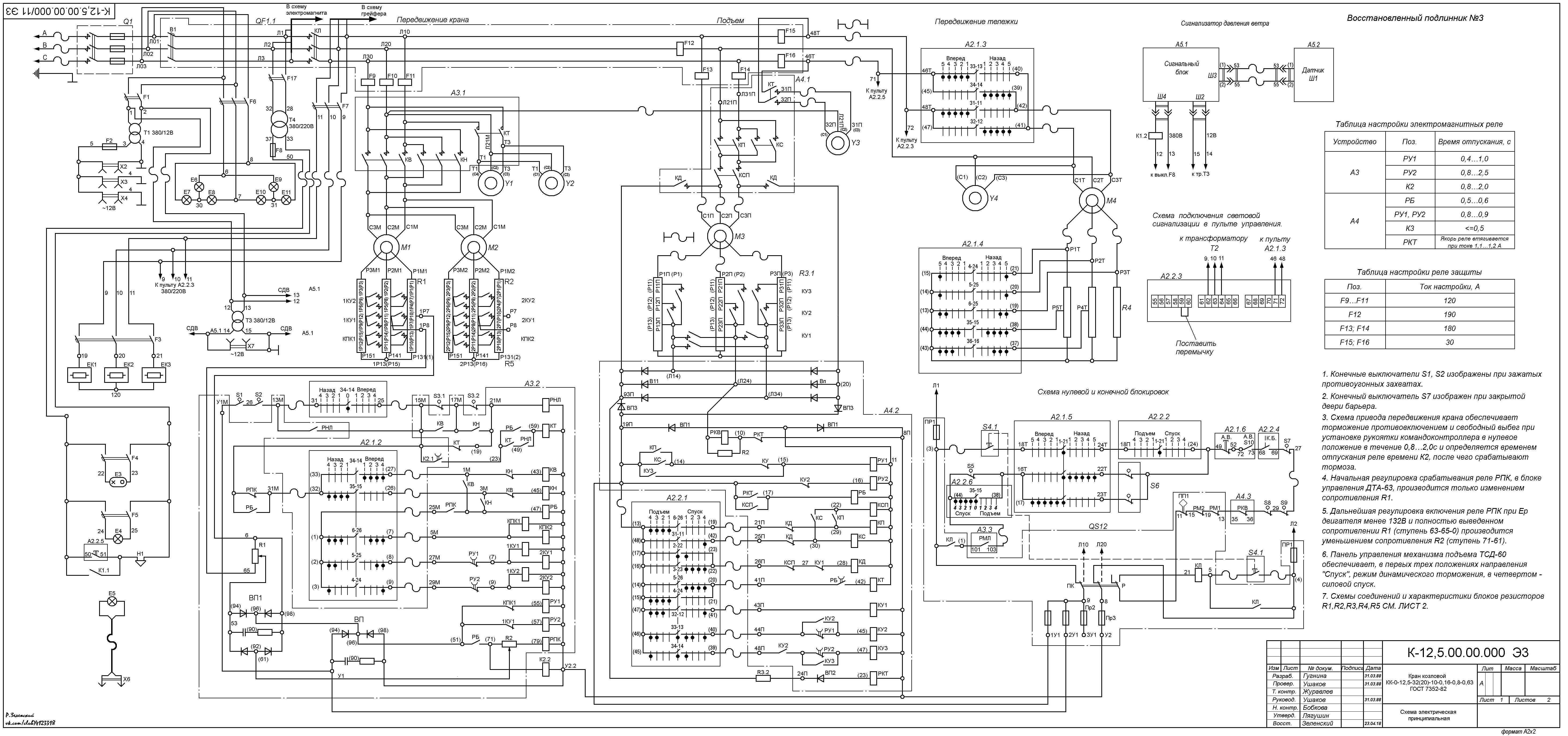
Вот еще, только закончил КК-12,5-32, козловой кран. Может не в тему, а может в тему...
- Вложения
-
- КК-12,5-32.zip
- (1.11 МБ) 2060 скачиваний
Re: Электросхемы кранов
Я не пойму, к чему этот спор. Все схемы, что я выложил, восстановил из кусков схем, собирал по всем кранам, которые ремонтирую. Ничего ни у кого не присваивал. Все исходники находятся у меня. Я не преследую никаких коммерческих целей, не ставлю на схемы никаких личных подписей. Кто их скачивает, пусть делает с ними что хочет. Мне все равно.
Ну и что, что здесь движение меньше, чем на TCFS.
Ну и что, что здесь движение меньше, чем на TCFS.
-
Rojan Zelenskij
- Сообщения: 7
- Зарегистрирован: 01 май 2018, 07:36
Re: Электросхемы кранов
так и я не пойму - какой спор? Просто мы приглашаем всех, кто ищет схемы, посетить наши порталы.rusloff писал(а): ↑05 май 2018, 15:20 Я не пойму, к чему этот спор. Все схемы, что я выложил, восстановил из кусков схем, собирал по всем кранам, которые ремонтирую. Ничего ни у кого не присваивал. Все исходники находятся у меня. Я не преследую никаких коммерческих целей, не ставлю на схемы никаких личных подписей. Кто их скачивает, пусть делает с ними что хочет. Мне все равно.
Ну и что, что здесь движение меньше, чем на TCFS.
Вы восстанавливаете схемы, и я это делаю. На просторах нашей (не покривлю душой) бывшей большой страны это дорогого стоит. Удачи Вам в вашей работе.
PS: но авторство на своих схемах ставить буду. Это не право собственности, пользоваться может любой, просто по прошествии нескольких десятилетий (тьфу, тьфу тьфу) люди будут видеть имя автора - что в этом плохого?
Re: Электросхемы кранов
Замечательно что есть неравнодушные люди которые собирают и восстанавливают схемы. Снимаю шляпу.
Хотел вот спросить. Зачем на схеме(второе сообщение в теме) конденсаторы соединены в треугольник да еще и не в один? Компенсация? Плавный пуск? Защита от просадок?
Хотел вот спросить. Зачем на схеме(второе сообщение в теме) конденсаторы соединены в треугольник да еще и не в один? Компенсация? Плавный пуск? Защита от просадок?
Re: Электросхемы кранов
У нас на Кировце и на GANZе такие батареи конденсаторов стоят. На них написано "Фазокомпенсаторный конденсатор".
-
Nikolaibic
- Сообщения: 1
- Зарегистрирован: 31 авг 2020, 00:02
- Откуда: Guam
- Контактная информация:
Ищу схему
Ау люди Ссылка битая а схему хотелось бы получить. Где её можно скачать бесплатно а то зашёл на сайт не буду его называть а там деньги требуют - это не есть правильно.
Эксперт в компьютерах, рассказываю просто о сложном на блоге Zulkinoks